Однофазные асинхронные электродвигатели Leroy-Somer серии LS
Высота оси – от 56 до 90 мм.
Скорость 3000, 1500, 1000 об./мин.
IP55, 230 В.
Однофазные асинхронные электродвигатели Leroy Somer серии LS
| Электродвигатели LS P с фазосдвигающим конденсатором | |||||||
|---|---|---|---|---|---|---|---|
| Модель | Номинальные параметры при 230 В 50 Гц | Вес IM B3 | |||||
| Мощность | Частота вращения | Ток | Cos ф | К.П.Д. | Кратность пускового тока | ||
| кВт | об/мин | A | 100% | 100% | Is/Inom | кг | |
| 2 полюса, 3000 об/мин | |||||||
| LS 56 P | 0,09 | 2790 | 0,9 | 0,85 | 50 | 3,4 | 3,5 |
| LS 63 P | 0,12 | 2820 | 1 | 0,90 | 57 | 4 | 4 |
| LS 63 P | 0,18 | 2820 | 1,4 | 0,90 | 62 | 4,5 | 4,5 |
| LS 71 P | 0,25 | 2780 | 1,95 | 0,90 | 61 | 3,5 | 5,5 |
| LS 71 P | 0,37 | 2850 | 2,7 | 0,85 | 70 | 4,7 | 7 |
| LS 71 P | 0,55 | 2770 | 3,5 | 0,95 | 72 | 4,5 | 7,5 |
| LS 80 P | 0,75 | 2780 | 4,85 | 0,95 | 70 | 4,2 | 9 |
| LS 80 P | 1,1 | 2760 | 6,6 | 0,98 | 73 | 4,1 | 11 |
| LS 90 P | 1,1 | 2700 | 7,5 | 0,90 | 73 | 4,3 | 14 |
| LS 90 P | 1,5 | 2780 | 9,1 | 0,95 | 76 | 4,8 | 16,5 |
| 4 полюса, 1500 об/мин | |||||||
| LS 56 P | 0,06 | 1420 | 0,72 | 0,90 | 39 | 2,7 | 3,5 |
| LS 63 P | 0,09 | 1380 | 0,75 | 0,95 | 55 | 2,4 | 4 |
| LS 63 P | 0,12 | 1410 | 1 | 0,95 | 50 | 2,8 | 4,5 |
| LS 71 P | 0,18 | 1430 | 1,8 | 0,75 | 57 | 3,9 | 6 |
| LS 71 P | 0,25 | 1430 | 2,1 | 0,80 | 63 | 4,3 | 6,5 |
| LS 71 P | 0,37 | 1410 | 2,8 | 0,85 | 66 | 4 | 7,5 |
| LS 80 P | 0,55 | 1370 | 4,2 | 0,85 | 67 | 3,6 | 8,5 |
| LS 80 P | 0,75 | 1370 | 5,4 | 0,85 | 69 | 3,9 | 10,5 |
| LS 90 P | 1,1 | 1420 | 7 | 0,95 | 71 | 5 | 16 |
| 6 полюсов, 1000 об/мин | |||||||
| LS 71 P | 0,12 | 930 | 1,15 | 0,95 | 48 | 3,1 | 7 |
| LS 80 P | 0,37 | 920 | 3 | 0,98 | 53 | 2,8 | 10 |
| Электродвигатели LS PR с пусковым реле | |||||||
| Модель | Номинальные параметры при 230 В 50 Гц | Вес IM B3 | |||||
| Мощность | Частота вращения | Ток | Cos ф | К.П.Д. | Кратность пускового тока | ||
| кВт | об/мин | A | 100% | 100% | Is/Inom | кг | |
| 2 полюса, 3000 об/мин | |||||||
| LS 63 PR | 0,18 | 2900 | 1,4 | 0,85 | 66 | 6,5 | 5 |
| LS 71 PR | 0,25 | 2900 | 2 | 0,85 | 65 | 5,5 | 6 |
| LS 71 PR | 0,37 | 2920 | 2,8 | 0,85 | 68 | 6,6 | 7,5 |
| LS 71 PR | 0,55 | 2900 | 3,7 | 0,85 | 74 | 6,6 | 8 |
| LS 80 PR | 0,75 | 2880 | 4,9 | 0,90 | 74 | 6 | 9,5 |
| LS 80 PR | 1,1 | 2860 | 6,6 | 0,90 | 77 | 5,8 | 11 |
| LS 90 PR | 1,5 | 2860 | 8,6 | 0,98 | 76 | 6 | 14,5 |
| LS 90 PR | 1,8 | 2870 | 10,5 | 0,98 | 76 | 6,1 | 17 |
| 4 полюса, 1500 об/мин | |||||||
| LS 63 PR | 0,12 | 1430 | 1,05 | 0,90 | 57 | 4,2 | 5 |
| LS 71 PR | 0,18 | 1460 | 1,7 | 0,75 | 59 | 5 | 6 |
| LS 71 PR | 0,25 | 1460 | 2,2 | 0,75 | 66 | 5 | 6 |
| LS 71 PR | 0,37 | 1440 | 2,8 | 0,85 | 68 | 4,7 | 8 |
| LS 80 PR | 0,55 | 1420 | 4,2 | 0,9 | 65 | 4,3 | 10 |
| LS 80 PR | 0,75 | 1430 | 5,2 | 0,85 | 73 | 5,1 | 10,5 |
| LS 90 PR | 1,1 | 1420 | 6,9 | 0,95 | 71 | 4,9 | 14 |
| LS 90 PR | 1,5 | 1430 | 8,6 | 0,98 | 76 | 5,5 | 17 |
Каталог однофазных асинхронных электродвигателей Leroy Somer серии LS
Полный каталог однофазных асинхронных электродвигателей Leroy Somer серии LS
Габаритные и установочные размеры
Размеры вала

| Приводной конец вала | |||||||
|---|---|---|---|---|---|---|---|
| Тип | F | GD | D | G | E | O | p |
| LS 56 P | 3 | 3 | 9 j6 | 7,2 | 20 | 4 | 10 |
| LS 63 P ¹ | 4 | 4 | 11 j6 | 8,5 | 23 | 4 | 10 |
| LS 63 PR ¹ | 4 | 4 | 11 j6 | 8,5 | 23 | 4 | 10 |
| LS 71 P | 5 | 5 | 14 j6 | 11 | 30 | 5 | 12,5 |
| LS 71 PR | 5 | 5 | 14 j6 | 11 | 30 | 5 | 12,5 |
| LS 80 P | 6 | 6 | 19 j6 | 15,5 | 40 | 6 | 15 |
| LS 80 PR | 6 | 6 | 19 j6 | 15,5 | 40 | 6 | 15 |
| LS 90 P | 8 | 7 | 24 j6 | 20 | 50 | 8 | 20 |
| LS 90 PR | 8 | 7 | 24 j6 | 20 | 50 | 8 | 20 |
¹ Электродвигатели LS 63 могут быть поставлены с концом вала Ø14 x 30 (не по нормам).
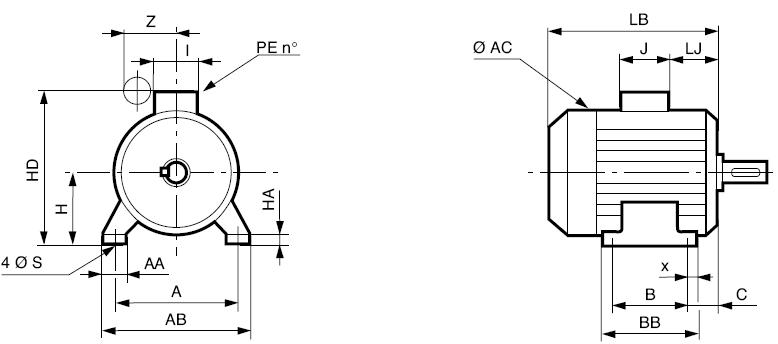
Монтажное исполение на лапах - IM B3 (IM1001)

| Монтажное исполение на лапах - IM B3 (IM1001) | |||||||||||||||||
| Тип | A | AB | B | BB | C | AA | S | HD | Z max. | H | LJ | HA | x | LB | AC | J | I |
| LS 56 P | 90 | 104 | 71 | 87 | 36 | 24 | 6 | 148 | 90 | 56 | 8 | 7 | 8 | 156 | 110 | 86 | 88 |
| LS 63 P | 100 | 115 | 80 | 97 | 40 | 24,5 | 7 | 160 | 90 | 63 | 18 | 8 | 8,5 | 172 | 126 | 86 | 88 |
| LS 63 PR | 100 | 115 | 80 | 97 | 40 | 24,5 | 7 | 182 | 100 | 63 | 21,5 | 8 | 8,5 | 172 | 126 | 138 | 105 |
| LS 71 P ² | 112 | 126 | 90 | 106 | 45 | 23 | 7 | 178 | 90 | 71 | 18 | 9 | 8 | 185 | 140 | 86 | 88 |
| LS 71 PR ² | 112 | 126 | 90 | 106 | 45 | 23 | 7 | 200 | 100 | 71 | 21,5 | 9 | 8 | 185 | 140 | 138 | 105 |
| LS 80 P | 125 | 157 | 100 | 120 | 50 | 37 | 9 | 201 | 100 | 80 | 24,5 | 10 | 10 | 215 | 162 | 86 | 88 |
| LS 80 PR | 125 | 157 | 100 | 120 | 50 | 37 | 9 | 223 | 115 | 80 | 24,5 | 10 | 10 | 215 | 162 | 138 | 105 |
| LS 90 P | 140 | 172 | 125 | 162 | 56 | 30 | 9 | 221 | 108 | 90 | 24,5 | 11 | 27,5 | 245 | 182 | 86 | 88 |
| LS 90 PR | 140 | 172 | 125 | 162 | 56 | 30 | 9 | 243 | 115 | 90 | 24,5 | 11 | 27,5 | 245 | 182 | 138 | 105 |
²- Электродвигатели LS 71 P, 2P, 0,55 kW и LS 71 P, 4P, 0,37 kW : модификация рамера LB = 193
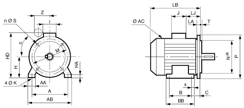
Монтажное исполение комбинированное с фланцем типа FF - IM B35 (IM2001)

| Монтажное исполение комбинированное с фланцем типа FF - IM B35 (IM2001) | ||||||||||||||||||
| Тип | A | AA | AB | C | B | BB | H | HA | x | HD | K | HJ | Zmax. | LJ | LB | AC | J | I |
| LS 56 P | 90 | 24 | 104 | 36 | 71 | 87 | 56 | 7 | 8 | 148 | 6 | 92 | 90 | 8 | 156 | 110 | 86 | 88 |
| LS 63 P | 100 | 24,5 | 115 | 40 | 80 | 97 | 63 | 8 | 8,5 | 160 | 7 | 97 | 90 | 18 | 172 | 126 | 86 | 88 |
| LS 63 PR | 100 | 24,5 | 115 | 40 | 80 | 97 | 63 | 8 | 8,5 | 182 | 7 | 119 | 100 | 21,5 | 172 | 126 | 138 | 105 |
| LS 71 P ² | 112 | 23 | 126 | 45 | 90 | 106 | 71 | 9 | 8 | 178 | 7 | 107 | 90 | 18 | 185 | 140 | 86 | 88 |
| LS 71 PR ² | 112 | 23 | 126 | 45 | 90 | 106 | 71 | 9 | 8 | 200 | 7 | 129 | 100 | 21,5 | 185 | 140 | 138 | 105 |
| LS 80 P | 125 | 37 | 157 | 50 | 100 | 120 | 80 | 10 | 10 | 201 | 9 | 121 | 100 | 24,5 | 215 | 162 | 86 | 88 |
| LS 80 PR | 125 | 37 | 157 | 50 | 100 | 120 | 80 | 10 | 10 | 223 | 9 | 143 | 115 | 24,5 | 215 | 162 | 138 | 105 |
| LS 90 P | 140 | 30 | 172 | 56 | 125 | 162 | 90 | 11 | 27,5 | 221 | 9 | 131 | 108 | 24,5 | 265 | 182 | 86 | 88 |
| LS 90 PR | 140 | 30 | 172 | 56 | 125 | 162 | 90 | 11 | 27,5 | 243 | 9 | 153 | 115 | 24,5 | 265 | 182 | 138 | 105 |
²-Электродвигатели LS 71 P, 2P, 0,55 kW и LS 71 P, 4P, 0,37 kW : модификация рамера LB = 193.
Монтажное исполение фланец FF - IM B5 (IM3001)

| Размеры фланцев | ||||||||
|---|---|---|---|---|---|---|---|---|
| Тип | Symb. | M | N | P | LA | α | T | S |
| LS 56 P | FF100 | 100 | 80 | 120 | 8 | 45° | 3 | 7 |
| LS 63 P | FF115 | 115 | 95 | 140 | 10 | 45° | 3 | 9 |
| LS 63 PR | FF115 | 115 | 95 | 140 | 10 | 45° | 3 | 9 |
| LS 71 P | FF130 | 130 | 110 | 160 | 8 | 45° | 3,5 | 9 |
| LS 71 PR | FF130 | 130 | 110 | 160 | 8 | 45° | 3,5 | 9 |
| LS 80 P | FF165 | 165 | 130 | 200 | 10 | 45° | 3,5 | 11 |
| LS 80 PR | FF165 | 165 | 130 | 200 | 10 | 45° | 3,5 | 11 |
| LS 90 P | FF165 | 165 | 130 | 200 | 10 | 45° | 3,5 | 11 |
| LS 90 PR | FF165 | 165 | 130 | 200 | 10 | 45° | 3,5 | 11 |
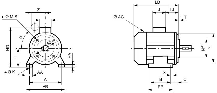
Монтажное исполение комбинированное с фланецем FT - IM B34 (IM2601)

| Монтажное исполение комбинированное с фланецем FT - IM B34 (IM2601) | |||||||||||||||||
|---|---|---|---|---|---|---|---|---|---|---|---|---|---|---|---|---|---|
| Тип | A | AA | AB | B | BB | H | HA | x | HD | K | HJ | Zmax. | LJ | LB | AC | J | I |
| LS 56 P | 90 | 24 | 104 | 71 | 87 | 56 | 7 | 8 | 148 | 6 | 92 | 90 | 8 | 156 | 110 | 86 | 88 |
| LS 63 P | 100 | 24,5 | 115 | 80 | 97 | 63 | 8 | 8,5 | 160 | 7 | 97 | 90 | 18 | 172 | 126 | 86 | 88 |
| LS 63 PR | 100 | 24,5 | 115 | 80 | 97 | 63 | 8 | 8,5 | 182 | 7 | 119 | 100 | 21,5 | 172 | 126 | 138 | 105 |
| LS 71 P ² | 112 | 23 | 126 | 90 | 106 | 71 | 9 | 8 | 178 | 7 | 107 | 90 | 18 | 185 | 140 | 86 | 88 |
| LS 71 PR ² | 112 | 23 | 126 | 90 | 106 | 71 | 9 | 8 | 200 | 7 | 129 | 100 | 21,5 | 185 | 140 | 138 | 105 |
| LS 80 P | 125 | 37 | 157 | 100 | 120 | 80 | 10 | 10 | 201 | 9 | 121 | 100 | 24,5 | 215 | 162 | 86 | 88 |
| LS 80 PR | 125 | 37 | 157 | 100 | 120 | 80 | 10 | 10 | 223 | 9 | 143 | 115 | 24,5 | 215 | 162 | 138 | 105 |
| LS 90 P | 140 | 30 | 172 | 125 | 162 | 90 | 11 | 27,5 | 221 | 9 | 131 | 108 | 24,5 | 245 | 182 | 86 | 88 |
| LS 90 PR | 140 | 30 | 172 | 125 | 162 | 90 | 11 | 27,5 | 243 | 9 | 153 | 115 | 24,5 | 245 | 182 | 138 | 105 |
² - Электродвигатели LS 71 P, 2P, 0,55 kW и LS 71 P, 4P, 0,37 kW : модификация рамера LB = 193
Монтажное исполение фланец FT - IM B14 (IM3601)

| Размеры фланцев | ||||||||
|---|---|---|---|---|---|---|---|---|
| Тип | Symb. | M | N | P | LA | α | T | S |
| LS 56 P | FT65 | 65 | 50 | 80 | 8 | 45° | 2,5 | 5 |
| LS 63 P | FT75 | 75 | 60 | 90 | 10 | 45° | 2,5 | 5 |
| LS 63 PR | FT75 | 75 | 60 | 90 | 10 | 45° | 2,5 | 5 |
| LS 71 P | FT85 | 85 | 70 | 105 | 8 | 45° | 2,5 | 6 |
| LS 71 PR | FT85 | 85 | 70 | 105 | 8 | 45° | 2,5 | 6 |
| LS 80 P | FT100 | 100 | 80 | 120 | 10 | 45° | 3 | 6 |
| LS 80 PR | FT100 | 100 | 80 | 120 | 10 | 45° | 3 | 6 |
| LS 90 P | FT115 | 115 | 95 | 140 | 10 | 45° | 3 | 8 |
| LS 90 PR | FT115 | 115 | 95 | 140 | 10 | 45° | 3 | 8 |