Асинхронные трехфазные электродвигатели Leroy-Somer серии LSES (LS)
Мощность от 0,09 до 200 кВт.
Скорость 3000, 1500, 1000 и 750 об./мин.
IP55, 230/400В
Асинхронные трехфазные электродвигатели Leroy-Somer серии LSES (LS) в корпусе из алюминиевого сплава повышенной прочности.
Электродвигатели серии LSES соответствуют классу энергоэффективности IE2 (High Efficiency) и выпускаются в односкоростном исполнении.
Электродвигатели серии LS соответствуют классу энергоэффективности IE1 и выпускаются в односкоростном или двухскоростном исполнении для механизмов с постоянным моментом или с вентиляторной характеристикой. Переключение обмоток разных скоростей возможно независимое либо по схеме Даландера (DAL) или (PAM).
Асинхронные трехфазные электродвигатели Leroy-Somer серии LS
| Модель | Номинальные параметры 400В 50Гц | Масса | ||||||
|---|---|---|---|---|---|---|---|---|
| Мощность | Частота вращения | Момент | Ток | cos ф | К.П.Д. | Кратность пускового тока | IM B3 | |
| кВт | об/мин | Нм | A | 100% | 100% | кг | ||
| 2 полюса, 3000 об/мин | ||||||||
| LS 56 M | 0,09 | 2860 | 0,3 | 0,44 | 0,55 | 54 | 4,9 | 3,8 |
| LS 56 M | 0,12 | 2820 | 0,4 | 0,5 | 0,6 | 58 | 4,6 | 3,8 |
| LS 63 M | 0,18 | 2790 | 0,6 | 0,52 | 0,75 | 67 | 5 | 4,8 |
| LS 63 M | 0,25 | 2800 | 0,8 | 0,71 | 0,75 | 68 | 5,4 | 6 |
| LS 71 L | 0,37 | 2800 | 1,3 | 0,98 | 0,8 | 68 | 5,2 | 6,4 |
| LS 71 L | 0,55 | 2800 | 1,9 | 1,32 | 0,8 | 75 | 6 | 7,3 |
| LS 71 L | 0,75 | 2780 | 2,5 | 1,7 | 0,85 | 75 | 6 | 8,3 |
| LS 80 L | 0,75 | 2840 | 2,5 | 1,64 | 0,87 | 76 | 5,9 | 8,2 |
| LS 80 L | 1,1 | 2837 | 3,7 | 2,4 | 0,84 | 78 | 5,8 | 9,7 |
| LS 80 L | 1,5 | 2859 | 5 | 3,2 | 0,83 | 80,3 | 7 | 11,3 |
| LS 90 S | 1,5 | 2870 | 5 | 3,4 | 0,81 | 79,6 | 8 | 12 |
| LS 90 L | 1,8 | 2865 | 6 | 3,6 | 0,86 | 83,1 | 8 | 14 |
| LS 90 L | 2,2 | 2862 | 7,4 | 4,3 | 0,88 | 83,6 | 7,7 | 16 |
| LS 100 L | 3 | 2868 | 10 | 6,3 | 0,81 | 83,9 | 7,5 | 20 |
| LS 100 L | 3,7 | 2850 | 12,5 | 8 | 0,85 | 81 | 8,6 | 21 |
| LS 112 M | 4 | 2877 | 13,5 | 7,8 | 0,85 | 86 | 7,8 | 24,4 |
| LS 112 MG | 5,5 | 2916 | 18,1 | 10,5 | 0,88 | 86,6 | 9 | 33 |
| LS 132 S | 5,5 | 2916 | 18,1 | 10,5 | 0,88 | 86,6 | 9 | 34,4 |
| LS 132 S | 7,5 | 2905 | 24,5 | 14,7 | 0,85 | 86,5 | 8,7 | 39 |
| LS 132 M | 9 | 2910 | 29,6 | 17,3 | 0,85 | 88,1 | 8,6 | 49 |
| LS 132 M | 11 | 2944 | 36 | 20,7 | 0,86 | 89,4 | 7,5 | 54 |
| LS 160 MP | 11 | 2944 | 36 | 20,7 | 0,86 | 89,4 | 7,5 | 62 |
| LS 160 MP | 15 | 2935 | 48,8 | 28,4 | 0,85 | 90 | 8,1 | 72 |
| LS 160 L | 18,5 | 2934 | 60,2 | 33,7 | 0,87 | 91 | 8 | 88 |
| LS 180 MT | 22 | 2938 | 71,5 | 39,9 | 0,87 | 91,5 | 8,1 | 99 |
| LS 200 LT | 30 | 2946 | 97,2 | 52,1 | 0,9 | 92,4 | 8,6 | 154 |
| LS 200 L | 37 | 2950 | 120 | 64,6 | 0,89 | 92,9 | 7,4 | 180 |
| LS 225 MT | 45 | 2950 | 146 | 77,4 | 0,9 | 93,3 | 7,5 | 200 |
| LS 250 MZ | 55 | 2956 | 178 | 95,2 | 0,89 | 93,7 | 8,3 | 235 |
| LS 280 SC | 75 | 2968 | 241 | 127 | 0,9 | 94,4 | 8,5 | 330 |
| LS 280 MC | 90 | 2968 | 290 | 152 | 0,9 | 94,7 | 8,4 | 375 |
| LS 315 SP | 110 | 2976 | 353 | 190 | 0,88 | 94,8 | 7,8 | 645 |
| LS 315 MP | 132 | 2976 | 424 | 225 | 0,89 | 95 | 7,6 | 715 |
| LS 315 MR | 160 | 2976 | 513 | 270 | 0,9 | 95,1 | 7,6 | 820 |
| LS 315 MR | 200 | 2982 | 640 | 349 | 0,87 | 95 | 9,3 | 845 |
| Модель | Номинальные параметры 400В 50Гц | Масса | ||||||
| Мощность | Частота вращения | Момент | Ток | cos ф | К.П.Д. | Кратность пускового тока | IM B3 | |
| кВт | об/мин | Нм | A | 100% | 100% | кг | ||
| 4 полюса, 1500 об/мин | ||||||||
| LS 56 M | 0,06 | 1360 | 0,42 | 0,3 | 0,6 | 55 | 3 | 4 |
| LS 56 M | 0,09 | 1400 | 0,6 | 0,39 | 0,6 | 55 | 3,2 | 4 |
| LS 63 M | 0,12 | 1380 | 0,8 | 0,44 | 0,7 | 56 | 3,2 | 4,8 |
| LS 63 M | 0,18 | 1390 | 1,2 | 0,64 | 0,65 | 62 | 3,7 | 5 |
| LS 71 M | 0,18 | 1425 | 1,2 | 0,8 | 0,65 | 69 | 4,6 | 6,4 |
| LS 71 M | 0,25 | 1425 | 1,7 | 0,8 | 0,65 | 69 | 4,6 | 6,4 |
| LS 71 M | 0,37 | 1420 | 2,5 | 1,06 | 0,7 | 72 | 4,9 | 7,3 |
| LS 71 L | 0,55 | 1400 | 3,8 | 1,62 | 0,7 | 70 | 4,8 | 8,3 |
| LS 80 L | 0,55 | 1410 | 3,8 | 1,42 | 0,76 | 73,4 | 4,5 | 8,2 |
| LS 80 L | 0,75 | 1400 | 5,1 | 2,01 | 0,77 | 70 | 4,5 | 9,3 |
| LS 80 L | 0,9 | 1425 | 6 | 2,44 | 0,73 | 73 | 5,8 | 10,9 |
| LS 90 S | 1,1 | 1429 | 7,4 | 2,5 | 0,84 | 76,8 | 4,8 | 11,5 |
| LS 90 L | 1,5 | 1428 | 10 | 3,4 | 0,82 | 78,5 | 5,3 | 13,5 |
| LS 90 L | 1,8 | 1438 | 12 | 4 | 0,82 | 80,1 | 6 | 15,2 |
| LS 100 L | 2,2 | 1436 | 14,7 | 4,8 | 0,81 | 81 | 5,9 | 20 |
| LS 100 L | 3 | 1437 | 20,1 | 6,5 | 0,81 | 82,6 | 6 | 22,5 |
| LS 112 M | 4 | 1438 | 26,8 | 8,3 | 0,83 | 84,2 | 7,1 | 24,9 |
| LS 132 S | 5,5 | 1447 | 36,7 | 11,1 | 0,83 | 85,7 | 6,3 | 36,5 |
| LS 132 M | 7,5 | 1451 | 49,4 | 15,2 | 0,82 | 87 | 7 | 54,7 |
| LS 132 M | 9 | 1455 | 59,3 | 18,1 | 0,82 | 87,7 | 6,9 | 59,9 |
| LS 160 MP | 11 | 1454 | 72,2 | 21 | 0,86 | 88,4 | 7,7 | 70 |
| LS 160 LR | 15 | 1453 | 98 | 28,8 | 0,84 | 89,4 | 7,5 | 86 |
| LS 180 MT | 18,5 | 1456 | 121 | 35,2 | 0,84 | 90,3 | 7,6 | 100 |
| LS 180 LR | 22 | 1456 | 144 | 41,7 | 0,84 | 90,7 | 7,9 | 112 |
| LS 200 LT | 30 | 1460 | 196 | 56,3 | 0,84 | 91,5 | 6,6 | 165 |
| LS 225 ST | 37 | 1468 | 241 | 68,7 | 0,84 | 92,5 | 6,3 | 205 |
| LS 225 MR | 45 | 1468 | 293 | 83,3 | 0,84 | 92,8 | 6,3 | 235 |
| LS 250 ME | 55 | 1478 | 355 | 101 | 0,84 | 93,6 | 7 | 320 |
| LS 280 SC | 75 | 1478 | 485 | 137 | 0,84 | 94,2 | 7,2 | 380 |
| LS 280 MD | 90 | 1478 | 581 | 164 | 0,84 | 94,4 | 7,6 | 450 |
| LS 315 SP | 110 | 1484 | 708 | 197 | 0,85 | 94,8 | 7 | 670 |
| LS 315 MP | 132 | 1484 | 849 | 236 | 0,85 | 95 | 7,6 | 750 |
| LS 315 MR | 160 | 1484 | 1030 | 286 | 0,85 | 95 | 7,7 | 845 |
| LS 315 MR | 200 | 1486 | 1285 | 359 | 0,84 | 95,8 | 8,1 | 860 |
| Модель | Номинальные параметры 400В 50Гц | Масса | ||||||
| Мощность | Частота вращения | Момент | Ток | cos ф | К.П.Д. | Кратность пускового тока | IM B3 | |
| кВт | об/мин | Нм | A | 100% | 100% | кг | ||
| 6 полюсов, 1000 об/мин | ||||||||
| LS 63 M | 0,09 | 860 | 0,9 | 0,46 | 0,8 | 35 | 2,1 | 5,5 |
| LS 71 M | 0,12 | 920 | 1,3 | 0,64 | 0,55 | 49 | 2,9 | 6,5 |
| LS 71 M | 0,18 | 895 | 1,8 | 0,81 | 0,62 | 52 | 2,7 | 7,6 |
| LS 71 L | 0,25 | 840 | 2,6 | 1 | 0,7 | 50 | 2,5 | 7,9 |
| LS 80 L | 0,25 | 955 | 2,5 | 0,85 | 0,67 | 63,1 | 3,9 | 8,4 |
| LS 80 L | 0,37 | 950 | 3,7 | 1,1 | 0,72 | 66 | 4,3 | 9,7 |
| LS 80 L | 0,55 | 950 | 5,5 | 1,8 | 0,64 | 68 | 4,9 | 11 |
| LS 90 S | 0,75 | 930 | 7,7 | 2,1 | 0,77 | 68,5 | 4,2 | 13,5 |
| LS 90 L | 1,1 | 915 | 11,5 | 3 | 0,76 | 70 | 4,7 | 15,2 |
| LS 100 L | 1,5 | 905 | 15,8 | 4,2 | 0,74 | 69 | 4,5 | 20 |
| LS 100 L | 1,8 | 925 | 18 | 4,4 | 0,76 | 75 | 5,4 | 21 |
| LS 112 M | 2,2 | 905 | 23,2 | 5,8 | 0,76 | 72 | 5,6 | 24,2 |
| LS 132 S | 3 | 957 | 30,3 | 6,8 | 0,78 | 81,1 | 6 | 38,3 |
| LS 132 M | 4 | 961 | 39,6 | 9,3 | 0,75 | 83,6 | 5,9 | 53,3 |
| LS 132 M | 5,5 | 960 | 54,2 | 13,3 | 0,71 | 84,1 | 5,5 | 59,4 |
| LS 160 M | 7,5 | 967 | 74,1 | 16,1 | 0,79 | 85,2 | 4,7 | 81 |
| LS 160 L | 11 | 967 | 108 | 23,3 | 0,79 | 86,3 | 4,6 | 105 |
| LS 180 LR | 15 | 968 | 147,9 | 31,9 | 0,78 | 87,1 | 5,4 | 110 |
| LS 200 LT | 18,5 | 970 | 182 | 37 | 0,81 | 89 | 6,4 | 160 |
| LS 200 L | 22 | 972 | 216 | 43,6 | 0,81 | 89,9 | 6 | 190 |
| LS 225 MR | 30 | 968 | 296 | 59,5 | 0,81 | 89,9 | 6 | 235 |
| LS 250 ME | 37 | 978 | 361 | 71,1 | 0,81 | 92,7 | 6,2 | 305 |
| LS 280 SC | 45 | 978 | 439 | 86,5 | 0,81 | 92,7 | 6,2 | 340 |
| LS 280 MC | 55 | 978 | 537 | 106 | 0,81 | 92,6 | 6 | 385 |
| LS 315 SP | 75 | 980 | 731 | 140 | 0,83 | 93,3 | 7,2 | 690 |
| LS 315 MP | 90 | 980 | 877 | 164 | 0,85 | 93,1 | 7,2 | 760 |
| LS 315 MR | 110 | 980 | 1072 | 200 | 0,85 | 93,5 | 7,2 | 850 |
| LS 315 MR | 132 | 986 | 1278 | 242 | 0,83 | 94,8 | 6,6 | 830 |
| Модель | Номинальные параметры 400В 50Гц | Масса | ||||||
| Мощность | Частота вращения | Момент | Ток | cos ф | К.П.Д. | Кратность пускового тока | IM B3 | |
| кВт | об/мин | Нм | A | 100% | 100% | кг | ||
| 8 полюсов, 750 об/мин | ||||||||
| LS 71 L | 0,09 | 690 | 1,25 | 0,5 | 0,55 | 44 | 2,8 | 8 |
| LS 71 M | 0,12 | 650 | 1,7 | 0,72 | 0,55 | 44 | 2,1 | 8 |
| LS 80 L | 0,18 | 705 | 2,4 | 0,79 | 0,63 | 52 | 2,9 | 9,7 |
| LS 80 L | 0,25 | 700 | 3,4 | 0,98 | 0,68 | 54 | 2,8 | 11,3 |
| LS 90 S | 0,37 | 685 | 5,2 | 1,2 | 0,72 | 62 | 3,8 | 13,5 |
| LS 90 L | 0,55 | 670 | 7,8 | 1,7 | 0,72 | 63,5 | 3,5 | 15,2 |
| LS 100 L | 0,75 | 670 | 10,7 | 2,4 | 0,71 | 63,5 | 3,5 | 18 |
| LS 100 L | 1,1 | 670 | 15,7 | 3,7 | 0,68 | 63 | 3,7 | 21,8 |
| LS 112 MG | 1,5 | 710 | 20,2 | 4,7 | 0,64 | 72 | 3,8 | 24 |
| LS 132 SM | 2,2 | 713 | 30,2 | 6,1 | 0,68 | 77,1 | 4 | 45,6 |
| LS 132 M | 3 | 712 | 40,7 | 8 | 0,65 | 79,8 | 4,3 | 53,9 |
| LS 160 M | 4 | 718 | 53,2 | 11 | 0,63 | 83,3 | 3,9 | 84 |
| LS 160 M | 5,5 | 716 | 73,4 | 15,1 | 0,63 | 83,3 | 3,9 | 89 |
| LS 160 L | 7,5 | 714 | 100 | 20,6 | 0,63 | 83,4 | 3,9 | 101 |
| LS 180 L | 11 | 720 | 146 | 25,6 | 0,72 | 86 | 3,8 | 140 |
| LS 200 L | 15 | 725 | 198 | 32,9 | 0,75 | 87,7 | 4,4 | 185 |
| LS 225 ST | 18,5 | 725 | 244 | 42,4 | 0,72 | 87,5 | 4,2 | 210 |
| LS 225 MR | 22 | 725 | 289 | 51,9 | 0,7 | 87,4 | 4,4 | 240 |
| LS 250 ME | 30 | 730 | 392 | 60,3 | 0,79 | 90,9 | 5,8 | 330 |
| LS 280 SC | 37 | 730 | 484 | 74,3 | 0,79 | 91 | 5,6 | 370 |
| LS 280 MD | 45 | 728 | 590 | 91,4 | 0,78 | 91,1 | 5,4 | 430 |
| LS 315 SP | 55 | 738 | 712 | 105 | 0,81 | 93,2 | 5,4 | 660 |
| LS 315 MR | 75 | 738 | 970 | 143 | 0,81 | 93,6 | 5,4 | 815 |
Каталог трехфазных асинхронных электродвигателей Leroy Somer серии LS
Каталог трехфазных асинхронных электродвигателей Leroy Somer серии LSES (IE2)
Полный каталог трехфазных асинхронных электродвигателей Leroy Somer серии LS
Установка и техническое обслуживание электродвигателей серии LS (LSES)
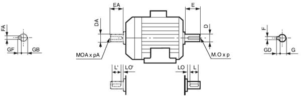
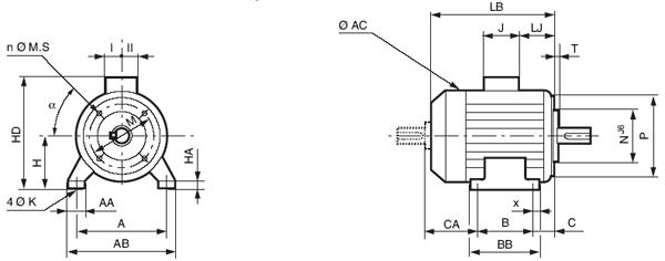
Габаритные и установочные размеры
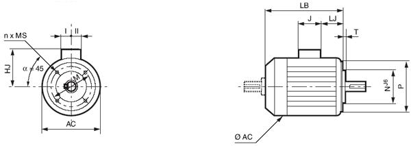
Размеры вала

| Приводной конец вала (DE) | ||||||||||||||||||||
| 4, 6 и 8 полюсов | 2 полюса и 2/4 полюсов | |||||||||||||||||||
| Тип | F | GD | D | G | E | O | p | L | LO | D | F | GD | D | G | E | O | p | L | LO | D |
| LS 56 M | 3 | 3 | 9j6 | 7 | 20 | 4 | 10 | 16 | 3 | 9 | 3 | 3 | 9j6 | 7 | 20 | 4 | 10 | 16 | 3 | 9 |
| LS 63 M | 4 | 4 | 11j6 | 8,5 | 23 | 4 | 10 | 18 | 3,5 | 11 | 4 | 4 | 11j6 | 8,5 | 23 | 4 | 10 | 18 | 3,5 | 11 |
| LS 71 L/M | 5 | 5 | 14j6 | 11 | 30 | 5 | 15 | 25 | 3,5 | 14 | 5 | 5 | 14j6 | 11 | 30 | 5 | 15 | 25 | 3,5 | 14 |
| LS 80 L | 6 | 6 | 19j6 | 15,5 | 40 | 6 | 16 | 30 | 6 | 19 | 6 | 6 | 19j6 | 15,5 | 40 | 6 | 16 | 30 | 6 | 19 |
| LS 90 S/L/SL/LU | 8 | 7 | 24j6 | 20 | 50 | 8 | 19 | 40 | 6 | 24 | 8 | 7 | 24j6 | 20 | 50 | 8 | 19 | 40 | 6 | 24 |
| LS 100 L | 8 | 7 | 28j6 | 24 | 60 | 10 | 22 | 50 | 6 | 28 | 8 | 7 | 28j6 | 24 | 60 | 10 | 22 | 50 | 6 | 28 |
| LS112 M/MG/MU | 8 | 7 | 28j6 | 24 | 60 | 10 | 22 | 50 | 6 | 28 | 8 | 7 | 28j6 | 24 | 60 | 10 | 22 | 50 | 6 | 28 |
| LS 132 S/M/ MU/SM | 10 | 8 | 38k6 | 33 | 80 | 12 | 28 | 63 | 10 | 38 | 10 | 8 | 38k6 | 33 | 80 | 12 | 28 | 63 | 10 | 38 |
| LS 160 M/L/ MP/LR/LU | 12 | 8 | 42k6 | 37 | 110 | 16 | 36 | 100 | 6 | 42 | 12 | 8 | 42k6 | 37 | 110 | 16 | 36 | 100 | 6 | 42 |
| LS 180 MT/LR/L/LU | 14 | 9 | 48k6 | 42,5 | 110 | 16 | 36 | 97 | 13 | 48 | 14 | 9 | 48k6 | 42,5 | 110 | 16 | 36 | 97 | 13 | 48 |
| LS 200 LT/L/LU | 16 | 10 | 55m6 | 49 | 110 | 20 | 42 | 97 | 13 | 55 | 16 | 10 | 55m6 | 49 | 110 | 20 | 42 | 97 | 10 | 55 |
| LS 225 ST/MR/ MK/SR/MT/MG | 18 | 11 | 60m6 | 53 | 140 | 20 | 42 | 126 | 14 | 60 | 16 | 10 | 55m6 | 49 | 110 | 20 | 42 | 97 | 13 | 55 |
| LS 250 ME/MF/MZ | 18 | 11 | 65m6 | 58 | 140 | 20 | 42 | 126 | 14 | 65 | 18 | 11 | 60m6 | 53 | 140 | 20 | 42 | 126 | 14 | 60 |
| LS 280 MK/SK/ MC/SC/SD/MD | 20 | 12 | 75m6 | 67,5 | 140 | 20 | 42 | 125 | 15 | 75 | 18 | 11 | 65m6 | 58 | 140 | 20 | 42 | 126 | 14 | 65 |
| Неприводной конец вала (NDE) | ||||||||||||||||||||
| 4, 6 и 8 полюсов | 2 полюса и 2/4 полюсов | |||||||||||||||||||
| Тип | FА | GF | DА | GB | EА | OA | pА | L’ | LO’ | D | FА | GF | DА | GB | EА | OA | pА | L’ | LO’ | D |
| LS 56 M | 3 | 3 | 9j6 | 7 | 20 | 4 | 10 | 16 | 3 | 9 | 3 | 3 | 9j6 | 7 | 20 | 4 | 10 | 16 | 3 | 9 |
| LS 63 M | 4 | 4 | 11j6 | 8,5 | 23 | 4 | 10 | 18 | 3,5 | 11 | 4 | 4 | 11j6 | 8,5 | 23 | 4 | 10 | 18 | 3,5 | 11 |
| LS 71 L/M | 5 | 5 | 14j6 | 11 | 30 | 5 | 15 | 25 | 3,5 | 14 | 5 | 5 | 14j6 | 11 | 30 | 5 | 15 | 25 | 3,5 | 14 |
| LS 80 L | 5 | 5 | 14j6 | 11 | 30 | 5 | 15 | 30 | 6 | 19 | 5 | 5 | 14j6 | 11 | 30 | 5 | 15 | 30 | 6 | 19 |
| LS 90 S/L/SL/LU | 6 | 6 | 19j6 | 15,5 | 40 | 6 | 16 | 40 | 6 | 24 | 6 | 6 | 19j6 | 15,5 | 40 | 6 | 16 | 40 | 6 | 24 |
| LS 100 L | 8 | 7 | 24j6 | 20 | 50 | 8 | 19 | 50 | 6 | 28 | 8 | 7 | 24j6 | 20 | 50 | 8 | 19 | 50 | 6 | 28 |
| LS112 M/MG/MU | 8 | 7 | 24j6 | 20 | 50 | 8 | 19 | 50 | 6 | 28 | 8 | 7 | 24j6 | 20 | 50 | 8 | 19 | 50 | 6 | 28 |
| LS 132 S/M/ MU/SM | 8 | 7 | 28j6 | 24 | 60 | 10 | 22 | 63 | 10 | 38 | 8 | 7 | 28j6 | 24 | 60 | 10 | 22 | 63 | 10 | 38 |
| LS 160 M/L/MP/LR/LU | 10 | 8 | 38k6 | 33 | 80 | 12 | 28 | 63 | 10 | 42 | 10 | 8 | 38k6 | 33 | 80 | 12 | 28 | 63 | 10 | 42 |
| LS 180 MT/LR/L/LU | 12 | 8 | 42k6 | 37 | 110 | 16 | 36 | 100 | 6 | 42 | 12 | 8 | 42k6 | 37 | 110 | 16 | 36 | 100 | 6 | 42 |
| LS 200 LT/L/LU | 14 | 9 | 48k6 | 42,5 | 110 | 16 | 36 | 97 | 13 | 48 | 14 | 9 | 48k6 | 42,5 | 110 | 16 | 36 | 97 | 13 | 48 |
| LS 225 ST/MR/ MK/SR/MT/MG | 16 | 10 | 55m6 | 49 | 110 | 20 | 42 | 97 | 13 | 55 | 16 | 10 | 55m6 | 49 | 110 | 20 | 42 | 97 | 13 | 55 |
| LS 250 ME/MF/MZ | 18 | 11 | 60m6 | 53 | 140 | 20 | 42 | 126 | 14 | 60 | 16 | 10 | 55m6 | 49 | 110 | 20 | 42 | 97 | 13 | 55 |
| LS 280 MK/SK/ MC/SC/SD/MD | 18 | 11 | 65m6 | 58 | 140 | 20 | 42 | 126 | 14 | 65 | 18 | 11 | 60m6 | 53 | 140 | 20 | 42 | 126 | 14 | 60 |
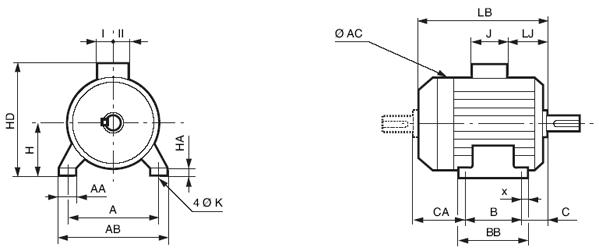
Монтажное исполение на лапах - IM B3 (IM1001)

| Монтажное исполение на лапах - IM B3 (IM1001) | ||||||||||||||||||
| Typе | А | АB | B | BB | C | х | АА | K | HА | H | АC | HD | LB | LJ | J | I | II | CА |
| LS 56 M | 90 | 104 | 71 | 87 | 36 | 8 | 24 | 6 | 7 | 56 | 110 | 140 | 156 | 16 | 86 | 43 | 43 | 51 |
| LS 63 M | 100 | 115 | 80 | 96 | 40 | 8 | 26 | 7 | 9 | 63 | 124 | 152 | 172 | 26 | 86 | 43 | 43 | 55 |
| LS 71 M | 112 | 126 | 90 | 106 | 45 | 8 | 24 | 7 | 9 | 71 | 140 | 170 | 185 | 26 | 86 | 43 | 43 | 53 |
| LS 71 L | 112 | 126 | 90 | 106 | 45 | 8 | 24 | 7 | 9 | 71 | 140 | 170 | 193 | 26 | 86 | 43 | 43 | 61 |
| LS 80 L | 125 | 157 | 100 | 120 | 50 | 10 | 29 | 9 | 10 | 80 | 170 | 203 | 215 | 26 | 86 | 43 | 43 | 68 |
| LS 90 L | 140 | 172 | 125 | 162 | 56 | 28 | 37 | 10 | 11 | 90 | 190 | 223 | 245 | 26 | 86 | 43 | 43 | 68 |
| LS 90 LU | 140 | 172 | 125 | 162 | 56 | 28 | 37 | 10 | 11 | 90 | 190 | 223 | 265 | 26 | 86 | 43 | 43 | 88 |
| LS 90 S | 140 | 172 | 100 | 120 | 56 | 10 | 37 | 10 | 11 | 90 | 190 | 223 | 218 | 26 | 86 | 43 | 43 | 66 |
| LS 90 SL | 140 | 172 | 125 | 162 | 56 | 28 | 37 | 10 | 11 | 90 | 190 | 223 | 245 | 26 | 86 | 43 | 43 | 68 |
| LS 100 L | 160 | 196 | 140 | 165 | 63 | 12 | 40 | 12 | 13 | 100 | 200 | 238 | 290 | 26 | 86 | 43 | 43 | 93 |
| LS 112 M | 190 | 220 | 140 | 165 | 70 | 12 | 45 | 12 | 14 | 112 | 200 | 250 | 290 | 26 | 86 | 43 | 43 | 86 |
| LS 112 MG | 190 | 220 | 140 | 165 | 70 | 12 | 52 | 12 | 14 | 112 | 235 | 260 | 315 | 36 | 86 | 43 | 43 | 110 |
| LS 112 MU | 190 | 220 | 140 | 165 | 70 | 12 | 52 | 12 | 14 | 112 | 235 | 260 | 334 | 36 | 86 | 43 | 43 | 130 |
| LS 132 M | 216 | 250 | 178 | 208 | 89 | 16 | 59 | 12 | 18 | 132 | 280 | 307 | 387 | 25 | 110 | 57 | 73 | 126 |
| LS 132 MU | 216 | 250 | 178 | 208 | 89 | 16 | 59 | 12 | 18 | 132 | 280 | 307 | 410 | 25 | 110 | 57 | 73 | 148 |
| LS 132 S | 216 | 250 | 140 | 170 | 89 | 16 | 50 | 12 | 15 | 132 | 235 | 280 | 350 | 53 | 86 | 43 | 43 | 128 |
| LS 132 SM | 216 | 250 | 178 | 208 | 89 | 16 | 59 | 12 | 18 | 132 | 280 | 307 | 387 | 25 | 110 | 57 | 73 | 126 |
| LS 160 L | 254 | 294 | 254 | 294 | 108 | 20 | 60 | 15 | 25 | 160 | 310 | 395 | 495 | 44 | 134 | 92 | 63 | 138 |
| LS 160 LR | 254 | 294 | 254 | 294 | 108 | 20 | 64 | 15 | 25 | 160 | 280 | 368 | 495 | 44 | 134 | 92 | 63 | 138 |
| LS 160 LU | 254 | 294 | 254 | 294 | 108 | 20 | 60 | 15 | 25 | 160 | 310 | 395 | 510 | 44 | 134 | 92 | 63 | 153 |
| LS 160 M | 254 | 294 | 210 | 294 | 108 | 20 | 60 | 15 | 25 | 160 | 310 | 395 | 495 | 44 | 134 | 92 | 63 | 182 |
| LS 160 MP | 254 | 294 | 210 | 294 | 108 | 20 | 64 | 15 | 25 | 160 | 280 | 368 | 468 | 44 | 134 | 92 | 63 | 154 |
| LS 180 L | 279 | 339 | 279 | 329 | 121 | 25 | 86 | 15 | 25 | 180 | 350 | 435 | 552 | 54 | 205 | 100 | 95 | 159 |
| LS 180 LR | 279 | 324 | 279 | 316 | 121 | 20 | 79 | 15 | 28 | 180 | 316 | 428 | 520 | 45 | 205 | 100 | 95 | 125 |
| LS 180 LU | 279 | 339 | 279 | 329 | 121 | 25 | 86 | 15 | 25 | 180 | 350 | 435 | 593 | 54 | 205 | 100 | 95 | 199 |
| LS 180 MT | 279 | 324 | 241 | 316 | 121 | 20 | 79 | 15 | 28 | 180 | 316 | 428 | 495 | 45 | 205 | 100 | 95 | 138 |
| LS 200 L | 318 | 388 | 305 | 375 | 133 | 35 | 103 | 19 | 36 | 200 | 390 | 475 | 621 | 68 | 205 | 100 | 95 | 194 |
| LS 200 LT | 318 | 378 | 305 | 365 | 133 | 30 | 108 | 19 | 32 | 200 | 350 | 455 | 599 | 60 | 205 | 100 | 95 | 167 |
| LS 200 LU | 318 | 388 | 305 | 375 | 133 | 35 | 103 | 19 | 36 | 200 | 390 | 475 | 669 | 68 | 205 | 100 | 95 | 241 |
| LS 225 MK | 356 | 424 | 311 | 371 | 149 | 30 | 80 | 19 | 35 | 225 | 468 | 617 | 704 | 113 | 292 | 148 | 180 | 254 |
| LS 225 MG | 356 | 420 | 311 | 375 | 149 | 30 | 65 | 19 | 30 | 225 | 479 | 629 | 810 | 68 | 292 | 148 | 180 | 385 |
| LS 225 MR | 356 | 431 | 311 | 386 | 149 | 50 | 127 | 19 | 36 | 225 | 390 | 500 | 676 | 74 | 205 | 100 | 95 | 228 |
| LS 225 SR | 356 | 431 | 286 | 386 | 149 | 50 | 127 | 19 | 36 | 225 | 390 | 500 | 676 | 74 | 205 | 100 | 95 | 253 |
| LS 225 MT | 356 | 431 | 311 | 386 | 149 | 50 | 127 | 19 | 36 | 225 | 390 | 500 | 627 | 74 | 205 | 100 | 95 | 203 |
| LS 225 ST | 356 | 431 | 286 | 386 | 149 | 50 | 127 | 19 | 36 | 225 | 390 | 500 | 627 | 74 | 205 | 100 | 95 | 203 |
| LS 250 MF | 406 | 470 | 349 | 420 | 168 | 35 | 90 | 24 | 36 | 250 | 479 | 655 | 870 | 68 | 292 | 148 | 180 | 363 |
| LS 250 ME | 406 | 470 | 349 | 420 | 168 | 35 | 90 | 24 | 36 | 250 | 479 | 655 | 810 | 68 | 292 | 148 | 180 | 303 |
| LS 250 MZ | 406 | 470 | 349 | 449 | 168 | 70 | 150 | 24 | 47 | 250 | 390 | 550 | 676 | 68 | 217 | 103 | 145 | 169 |
| LS 280 MK | 457 | 533 | 419 | 495 | 190 | 40 | 85 | 24 | 35 | 280 | 586 | 746 | 921 | 99 | 292 | 148 | 180 | 328 |
| LS 280 MD | 457 | 520 | 419 | 478 | 190 | 35 | 90 | 24 | 35 | 280 | 479 | 685 | 870 | 68 | 292 | 148 | 180 | 271 |
| LS 280 MP | 457 | 520 | 419 | 480 | 190 | 26 | 95 | 24 | 39 | 280 | 510 | 698 | 836 | 115 | 292 | 148 | 180 | 237 |
| LS 280 MC | 457 | 520 | 419 | 478 | 190 | 35 | 90 | 24 | 35 | 280 | 479 | 685 | 810 | 68 | 292 | 148 | 180 | 211 |
| LS 280 SK | 457 | 533 | 368 | 495 | 190 | 40 | 85 | 24 | 35 | 280 | 586 | 746 | 921 | 99 | 292 | 148 | 180 | 373 |
| LS 280 SP | 457 | 520 | 368 | 480 | 190 | 77 | 95 | 24 | 39 | 280 | 510 | 698 | 785 | 64 | 292 | 148 | 180 | 237 |
| LS 280 SC | 457 | 520 | 368 | 478 | 190 | 35 | 90 | 24 | 35 | 280 | 479 | 685 | 810 | 68 | 292 | 148 | 180 | 262 |
| LS 280 SD | 457 | 520 | 368 | 478 | 190 | 35 | 90 | 24 | 35 | 280 | 479 | 685 | 870 | 68 | 292 | 148 | 180 | 322 |
| LS 315 MP | 508 | 594 | 457 | 537 | 216 | 40 | 114 | 28 | 70 | 315 | 586 | 781 | 947 | 125 | 292 | 148 | 180 | 286 |
| LS 315 MR | 508 | 594 | 457 | 537 | 216 | 40 | 114 | 28 | 70 | 315 | 586 | 781 | 1017 | 125 | 292 | 148 | 180 | 356 |
| LS 315 SP | 508 | 594 | 406 | 537 | 216 | 40 | 114 | 28 | 70 | 315 | 586 | 781 | 947 | 125 | 292 | 148 | 180 | 337 |
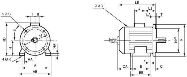
Монтажное исполение комбинированное с фланцем типа FF - IM B35 (IM2001)

| Монтажное исполение комбинированное с фланцем типа FF - IM B35 (IM2001) | |||||||||||||||||||
| Typе | А | АB | B | BB | C | х | АА | K | HА | H | АC | HD | LB | HJ | LJ | J | I | II | Sym. |
| LS 56 M | 90 | 104 | 71 | 87 | 36 | 8 | 24 | 6 | 7 | 56 | 110 | 140 | 156 | 84 | 16 | 86 | 43 | 43 | FF 100 |
| LS 63 M | 100 | 115 | 80 | 96 | 40 | 8 | 26 | 7 | 9 | 63 | 124 | 152 | 172 | 89 | 26 | 86 | 43 | 43 | FF 115 |
| LS 71 M | 112 | 126 | 90 | 106 | 45 | 8 | 24 | 7 | 9 | 71 | 140 | 170 | 185 | 99 | 26 | 86 | 43 | 43 | FF 130 |
| LS 71 L | 112 | 126 | 90 | 106 | 45 | 8 | 24 | 7 | 9 | 71 | 140 | 170 | 193 | 99 | 26 | 86 | 43 | 43 | FF 130 |
| LS 80 L | 125 | 157 | 100 | 120 | 50 | 10 | 29 | 9 | 10 | 80 | 170 | 203 | 215 | 123 | 26 | 86 | 43 | 43 | FF 165 |
| LS 90 L | 140 | 172 | 125 | 162 | 56 | 28 | 37 | 10 | 11 | 90 | 190 | 223 | 245 | 133 | 26 | 86 | 43 | 43 | FF 165 |
| LS 90 LU | 140 | 172 | 125 | 162 | 56 | 28 | 37 | 10 | 11 | 90 | 190 | 223 | 265 | 133 | 26 | 86 | 43 | 43 | FF 165 |
| LS 90 S | 140 | 172 | 100 | 120 | 56 | 10 | 37 | 10 | 11 | 90 | 190 | 223 | 218 | 133 | 26 | 86 | 43 | 43 | FF 165 |
| LS 90 SL | 140 | 172 | 125 | 162 | 56 | 28 | 37 | 10 | 11 | 90 | 190 | 223 | 245 | 133 | 26 | 86 | 43 | 43 | FF 165 |
| LS 100 L | 160 | 196 | 140 | 165 | 63 | 12 | 40 | 12 | 13 | 100 | 200 | 238 | 290 | 138 | 26 | 86 | 43 | 43 | FF 215 |
| LS 112 M | 190 | 220 | 140 | 165 | 70 | 12 | 45 | 12 | 14 | 112 | 200 | 250 | 290 | 138 | 26 | 86 | 43 | 43 | FF 215 |
| LS 112 MG | 190 | 220 | 140 | 165 | 70 | 12 | 52 | 12 | 14 | 112 | 235 | 260 | 315 | 148 | 36 | 86 | 43 | 43 | FF 215 |
| LS 112 MU | 190 | 220 | 140 | 165 | 70 | 12 | 52 | 12 | 14 | 112 | 235 | 260 | 334 | 148 | 36 | 86 | 43 | 43 | FF 215 |
| LS 132 M | 216 | 250 | 178 | 208 | 89 | 16 | 59 | 12 | 18 | 132 | 280 | 307 | 387 | 148 | 25 | 110 | 57 | 73 | FF 265 |
| LS 132 MU | 216 | 250 | 178 | 208 | 89 | 16 | 59 | 12 | 18 | 132 | 280 | 307 | 410 | 175 | 25 | 110 | 57 | 73 | FF 265 |
| LS 132 S | 216 | 250 | 140 | 170 | 89 | 16 | 50 | 12 | 15 | 132 | 235 | 280 | 350 | 175 | 53 | 86 | 43 | 43 | FF 265 |
| LS 132 SM | 216 | 250 | 178 | 208 | 89 | 16 | 59 | 12 | 18 | 132 | 280 | 307 | 387 | 175 | 25 | 110 | 57 | 73 | FF 265 |
| LS 160 L | 254 | 294 | 254 | 294 | 108 | 20 | 60 | 15 | 25 | 160 | 310 | 395 | 495 | 208 | 44 | 134 | 92 | 63 | FF 300 |
| LS 160 LR | 254 | 294 | 254 | 294 | 108 | 20 | 64 | 15 | 25 | 160 | 280 | 368 | 495 | 235 | 44 | 134 | 92 | 63 | FF 300 |
| LS 160 LU | 254 | 294 | 254 | 294 | 108 | 20 | 60 | 15 | 25 | 160 | 310 | 395 | 510 | 208 | 44 | 134 | 92 | 63 | FF 300 |
| LS 160 M | 254 | 294 | 210 | 294 | 108 | 20 | 60 | 15 | 25 | 160 | 310 | 395 | 495 | 235 | 44 | 134 | 92 | 63 | FF 300 |
| LS 160 MP | 254 | 294 | 210 | 294 | 108 | 20 | 64 | 15 | 25 | 160 | 280 | 368 | 468 | 235 | 44 | 134 | 92 | 63 | FF 300 |
| LS 180 L | 279 | 339 | 279 | 329 | 121 | 25 | 86 | 15 | 25 | 180 | 350 | 435 | 552 | 248 | 54 | 205 | 100 | 95 | FF 300 |
| LS 180 LR | 279 | 324 | 279 | 316 | 121 | 20 | 79 | 15 | 28 | 180 | 316 | 428 | 520 | 248 | 45 | 205 | 100 | 95 | FF 300 |
| LS 180 LU | 279 | 339 | 279 | 329 | 121 | 25 | 86 | 15 | 25 | 180 | 350 | 435 | 593 | 255 | 54 | 205 | 100 | 95 | FF 300 |
| LS 180 MT | 279 | 324 | 241 | 316 | 121 | 20 | 79 | 15 | 28 | 180 | 316 | 428 | 495 | 255 | 45 | 205 | 100 | 95 | FF 300 |
| LS 200 L | 318 | 388 | 305 | 375 | 133 | 35 | 103 | 19 | 36 | 200 | 390 | 475 | 621 | 255 | 68 | 205 | 100 | 95 | FF 350 |
| LS 200 LT | 318 | 378 | 305 | 365 | 133 | 30 | 108 | 19 | 32 | 200 | 350 | 455 | 599 | 275 | 60 | 205 | 100 | 95 | FF 350 |
| LS 200 LU | 318 | 388 | 305 | 375 | 133 | 35 | 103 | 19 | 36 | 200 | 390 | 475 | 669 | 275 | 68 | 205 | 100 | 95 | FF 350 |
| LS 225 MK | 356 | 424 | 311 | 371 | 149 | 30 | 80 | 19 | 35 | 225 | 468 | 617 | 704 | 275 | 113 | 292 | 148 | 180 | FF 400 |
| LS 225 MG | 356 | 420 | 311 | 375 | 149 | 30 | 65 | 19 | 30 | 225 | 479 | 629 | 810 | 275 | 68 | 292 | 148 | 180 | FF 400 |
| LS 225 MR | 356 | 431 | 311 | 386 | 149 | 50 | 127 | 19 | 36 | 225 | 390 | 500 | 676 | 275 | 74 | 205 | 100 | 95 | FF 400 |
| LS 225 SR | 356 | 431 | 286 | 386 | 149 | 50 | 127 | 19 | 36 | 225 | 390 | 500 | 676 | 275 | 74 | 205 | 100 | 95 | FF 400 |
| LS 225 MT | 356 | 431 | 311 | 386 | 149 | 50 | 127 | 19 | 36 | 225 | 390 | 500 | 627 | 392 | 74 | 205 | 100 | 95 | FF 400 |
| LS 225 ST | 356 | 431 | 286 | 386 | 149 | 50 | 127 | 19 | 36 | 225 | 390 | 500 | 627 | 404 | 74 | 205 | 100 | 95 | FF 400 |
| LS 250 MF | 406 | 470 | 349 | 420 | 168 | 35 | 90 | 24 | 36 | 250 | 479 | 655 | 870 | 405 | 68 | 292 | 148 | 180 | FF 500 |
| LS 250 ME | 406 | 470 | 349 | 420 | 168 | 35 | 90 | 24 | 36 | 250 | 479 | 655 | 810 | 405 | 68 | 292 | 148 | 180 | FF 500 |
| LS 250 MZ | 406 | 470 | 349 | 449 | 168 | 70 | 150 | 24 | 47 | 250 | 390 | 550 | 676 | 300 | 68 | 217 | 103 | 145 | FF 500 |
| LS 280 MK | 457 | 533 | 419 | 495 | 190 | 40 | 85 | 24 | 35 | 280 | 586 | 746 | 921 | 466 | 99 | 292 | 148 | 180 | FF 500 |
| LS 280 MD | 457 | 520 | 419 | 478 | 190 | 35 | 90 | 24 | 35 | 280 | 479 | 685 | 870 | 405 | 68 | 292 | 148 | 180 | FF 500 |
| LS 280 MP | 457 | 520 | 419 | 480 | 190 | 26 | 95 | 24 | 39 | 280 | 510 | 698 | 836 | 418 | 115 | 292 | 148 | 180 | FF 500 |
| LS 280 MC | 457 | 520 | 419 | 478 | 190 | 35 | 90 | 24 | 35 | 280 | 479 | 685 | 810 | 405 | 68 | 292 | 148 | 180 | FF 500 |
| LS 280 SK | 457 | 533 | 368 | 495 | 190 | 40 | 85 | 24 | 35 | 280 | 586 | 746 | 921 | 466 | 99 | 292 | 148 | 180 | FF 500 |
| LS 280 SP | 457 | 520 | 368 | 480 | 190 | 77 | 95 | 24 | 39 | 280 | 510 | 698 | 785 | 418 | 64 | 292 | 148 | 180 | FF 500 |
| LS 280 SC | 457 | 520 | 368 | 478 | 190 | 35 | 90 | 24 | 35 | 280 | 479 | 685 | 810 | 405 | 68 | 292 | 148 | 180 | FF 500 |
| LS 280 SD | 457 | 520 | 368 | 478 | 190 | 35 | 90 | 24 | 35 | 280 | 479 | 685 | 870 | 405 | 68 | 292 | 148 | 180 | FF 500 |
| LS 315 MP | 508 | 594 | 457 | 537 | 216 | 40 | 114 | 28 | 70 | 315 | 586 | 781 | 947 | 466 | 125 | 292 | 148 | 180 | FF 600 |
| LS 315 MR | 508 | 594 | 457 | 537 | 216 | 40 | 114 | 28 | 70 | 315 | 586 | 781 | 1017 | 466 | 125 | 292 | 148 | 180 | FF 600 |
| LS 315 SP | 508 | 594 | 406 | 537 | 216 | 40 | 114 | 28 | 70 | 315 | 586 | 781 | 947 | 466 | 125 | 292 | 148 | 180 | FF 600 |
Монтажное исполение фланец FF - IM B5 (IM3001)

| Монтажное исполение фланец FF - IM B5 (IM3001) | ||||||||||||||||
| Размеры фланцев | Основные размеры | |||||||||||||||
| Sym. FF | M | N | P | T | n | α | S | LА | Тип | АC | LB | HJ | LJ | J | I | II |
| FF 100 | 100 | 80 | 120 | 3 | 4 | 45 | 7 | 5 | LS 56 M | 110 | 156 | 84 | 16 | 86 | 43 | 43 |
| FF 115 | 115 | 95 | 140 | 3 | 4 | 45 | 10 | 10 | LS 63 M | 124 | 172 | 89 | 26 | 86 | 43 | 43 |
| FF 130 | 130 | 110 | 160 | 4 | 4 | 45 | 10 | 10 | LS 71 M | 140 | 185 | 99 | 26 | 86 | 43 | 43 |
| FF 130 | 130 | 110 | 160 | 4 | 4 | 45 | 10 | 10 | LS 71 L | 140 | 193 | 99 | 26 | 86 | 43 | 43 |
| FF 165 | 165 | 130 | 200 | 4 | 4 | 45 | 12 | 10 | LS 80 L | 170 | 215 | 123 | 26 | 86 | 43 | 43 |
| FF 165 | 165 | 130 | 200 | 4 | 4 | 45 | 12 | 10 | LS 90 S | 190 | 238 | 133 | 46 | 86 | 43 | 43 |
| FF 165 | 165 | 130 | 200 | 4 | 4 | 45 | 12 | 10 | LS 90 L | 190 | 265 | 133 | 46 | 86 | 43 | 43 |
| FF 165 | 165 | 130 | 200 | 4 | 4 | 45 | 12 | 10 | LS 90 SL | 190 | 265 | 133 | 46 | 86 | 43 | 43 |
| FF 165 | 165 | 130 | 200 | 4 | 4 | 45 | 12 | 10 | LS 90 LU | 190 | 285 | 133 | 46 | 86 | 43 | 43 |
| FF 215 | 215 | 180 | 250 | 4 | 4 | 45 | 15 | 12 | LS 100 L | 200 | 290 | 138 | 26 | 86 | 43 | 43 |
| FF 215 | 215 | 180 | 250 | 4 | 4 | 45 | 15 | 12 | LS 112 M | 200 | 290 | 138 | 26 | 86 | 43 | 43 |
| FF 215 | 215 | 180 | 250 | 4 | 4 | 45 | 15 | 12 | LS 112 MG | 235 | 315 | 148 | 36 | 86 | 43 | 43 |
| FF 215 | 215 | 180 | 250 | 4 | 4 | 45 | 15 | 12 | LS 112 MU | 235 | 334 | 148 | 36 | 86 | 43 | 43 |
| FF 265 | 265 | 230 | 300 | 4 | 4 | 45 | 15 | 14 | LS 132 S | 235 | 350 | 148 | 53 | 86 | 43 | 43 |
| FF 265 | 265 | 230 | 300 | 4 | 4 | 45 | 15 | 14 | LS 132 SM | 280 | 387 | 175 | 25 | 110 | 57 | 73 |
| FF 265 | 265 | 230 | 300 | 4 | 4 | 45 | 15 | 14 | LS 132 M | 280 | 387 | 175 | 25 | 110 | 57 | 73 |
| FF 265 | 265 | 230 | 300 | 4 | 4 | 45 | 15 | 14 | LS 132 MU | 280 | 410 | 175 | 25 | 110 | 57 | 73 |
| FF 300 | 300 | 250 | 350 | 5 | 4 | 45 | 19 | 14 | LS 160 MP | 280 | 468 | 208 | 44 | 134 | 92 | 63 |
| FF 300 | 300 | 250 | 350 | 5 | 4 | 45 | 19 | 14 | LS 160 M | 310 | 495 | 235 | 44 | 134 | 92 | 63 |
| FF 300 | 300 | 250 | 350 | 5 | 4 | 45 | 19 | 14 | LS 160 LR | 280 | 495 | 208 | 44 | 134 | 92 | 63 |
| FF 300 | 300 | 250 | 350 | 5 | 4 | 45 | 19 | 14 | LS 160 L | 310 | 495 | 235 | 44 | 134 | 92 | 63 |
| FF 300 | 300 | 250 | 350 | 5 | 4 | 45 | 19 | 14 | LS 160 LU | 310 | 510 | 235 | 44 | 134 | 92 | 63 |
| FF 300 | 300 | 250 | 350 | 5 | 4 | 45 | 19 | 14 | LS 180 MT | 316 | 495 | 248 | 45 | 205 | 100 | 95 |
| FF 300 | 300 | 250 | 350 | 5 | 4 | 45 | 19 | 14 | LS 180 LR | 316 | 520 | 248 | 45 | 205 | 100 | 95 |
| FF 300 | 300 | 250 | 350 | 5 | 4 | 45 | 19 | 14 | LS 180 L | 350 | 552 | 255 | 54 | 205 | 100 | 95 |
| FF 300 | 300 | 250 | 350 | 5 | 4 | 45 | 19 | 14 | LS 180 LU | 350 | 593 | 255 | 54 | 205 | 100 | 95 |
| FF 350 | 350 | 300 | 400 | 5 | 4 | 45 | 19 | 15 | LS 200 LT | 350 | 599 | 255 | 60 | 205 | 100 | 95 |
| FF 350 | 350 | 300 | 400 | 5 | 4 | 45 | 19 | 15 | LS 200 L | 390 | 621 | 275 | 68 | 205 | 100 | 95 |
| FF 350 | 350 | 300 | 400 | 5 | 4 | 45 | 19 | 15 | LS 200 LU | 390 | 669 | 275 | 68 | 205 | 100 | 95 |
| FF 400 | 400 | 350 | 450 | 5 | 8 | 23 | 19 | 16 | LS 225 ST | 390 | 627 | 275 | 74 | 205 | 100 | 95 |
| FF 400 | 400 | 350 | 450 | 5 | 8 | 23 | 19 | 16 | LS 225 SR | 390 | 676 | 275 | 74 | 205 | 100 | 95 |
| FF 400 | 400 | 350 | 450 | 5 | 8 | 23 | 19 | 16 | LS 225 MT | 390 | 627 | 275 | 74 | 205 | 100 | 95 |
| FF 400 | 400 | 350 | 450 | 5 | 8 | 23 | 19 | 16 | LS 225 MR | 390 | 676 | 275 | 74 | 205 | 100 | 95 |
| FF 400 | 400 | 350 | 450 | 5 | 8 | 23 | 19 | 16 | LS 225 MK | 468 | 704 | 392 | 113 | 292 | 148 | 180 |
| FF 400 | 400 | 350 | 450 | 5 | 8 | 23 | 19 | 16 | LS 225 MG | 479 | 810 | 405 | 68 | 292 | 148 | 180 |
| FF 500 | 500 | 450 | 550 | 5 | 8 | 23 | 19 | 18 | LS 250 MZ | 390 | 676 | 275 | 68 | 217 | 103 | 145 |
| FF 500 | 500 | 450 | 550 | 5 | 8 | 23 | 19 | 18 | LS 250 ME | 479 | 810 | 405 | 68 | 292 | 148 | 180 |
| FF 500 | 500 | 450 | 550 | 5 | 8 | 23 | 19 | 18 | LS 250 MF | 479 | 870 | 405 | 68 | 292 | 148 | 180 |
| FF 500 | 500 | 450 | 550 | 5 | 8 | 23 | 19 | 18 | LS 280 MC | 479 | 810 | 405 | 68 | 292 | 148 | 180 |
| FF 500 | 500 | 450 | 550 | 5 | 8 | 23 | 19 | 18 | LS 280 MD | 479 | 870 | 405 | 68 | 292 | 148 | 180 |
| FF 500 | 500 | 450 | 550 | 5 | 8 | 23 | 19 | 18 | LS 280 MK | 586 | 921 | 465 | 99 | 292 | 148 | 180 |
| FF 500 | 500 | 450 | 550 | 5 | 8 | 23 | 19 | 18 | LS 280 MP | 510 | 836 | 418 | 115 | 292 | 148 | 180 |
| FF 500 | 500 | 450 | 550 | 5 | 8 | 23 | 19 | 18 | LS 280 SC | 479 | 810 | 405 | 68 | 292 | 148 | 180 |
| FF 500 | 500 | 450 | 550 | 5 | 8 | 23 | 19 | 18 | LS 280 SD | 479 | 870 | 405 | 68 | 292 | 148 | 180 |
| FF 500 | 500 | 450 | 550 | 5 | 8 | 23 | 19 | 18 | LS 280 SK | 586 | 921 | 465 | 99 | 292 | 148 | 180 |
| FF 500 | 500 | 450 | 550 | 5 | 8 | 23 | 19 | 18 | LS 280 SP | 510 | 785 | 418 | 64 | 292 | 148 | 180 |
| FF 600 | 600 | 550 | 660 | 6 | 8 | 23 | 24 | 22 | LS 315 SP | 586 | 947 | 465 | 125 | 292 | 148 | 180 |
| FF 600 | 600 | 550 | 660 | 6 | 8 | 23 | 24 | 22 | LS 315 MP | 586 | 947 | 465 | 125 | 292 | 148 | 180 |
| FF 600 | 600 | 550 | 660 | 6 | 8 | 23 | 24 | 22 | LS 315 MR | 586 | 1017 | 465 | 125 | 292 | 148 | 180 |
Монтажное исполение комбинированное с фланецем FT - IM B34 (IM2601)

| Монтажное исполение комбинированное с фланецем FT - IM B34 (IM2601) | |||||||||||||||||||
| Тип | А | АB | B | BB | C | х | АА | K | HА | H | АC | HD | LB | HJ | LJ | J | I | II | Sym. |
| LS 56 M | 90 | 104 | 71 | 87 | 36 | 8 | 24 | 6 | 7 | 56 | 110 | 140 | 156 | 84 | 16 | 86 | 43 | 43 | FT 65 |
| LS 63 M | 100 | 115 | 80 | 96 | 40 | 8 | 26 | 7 | 9 | 63 | 124 | 152 | 172 | 89 | 26 | 86 | 43 | 43 | FT 75 |
| LS 71 M | 112 | 126 | 90 | 106 | 45 | 8 | 24 | 7 | 9 | 71 | 140 | 170 | 185 | 99 | 26 | 86 | 43 | 43 | FT 85 |
| LS 71 L | 112 | 126 | 90 | 106 | 45 | 8 | 24 | 7 | 9 | 71 | 140 | 170 | 193 | 99 | 26 | 86 | 43 | 43 | FT 85 |
| LS 80 L | 125 | 157 | 100 | 120 | 50 | 10 | 29 | 9 | 10 | 80 | 170 | 203 | 215 | 123 | 26 | 86 | 43 | 43 | FT 100 |
| LS 90 S | 140 | 172 | 100 | 120 | 56 | 10 | 37 | 10 | 11 | 90 | 190 | 223 | 218 | 133 | 26 | 86 | 43 | 43 | FT 115 |
| LS 90 L | 140 | 172 | 125 | 162 | 56 | 28 | 37 | 10 | 11 | 90 | 190 | 223 | 245 | 133 | 26 | 86 | 43 | 43 | FT 115 |
| LS 90 SL | 140 | 172 | 125 | 162 | 56 | 28 | 37 | 10 | 11 | 90 | 190 | 223 | 245 | 133 | 26 | 86 | 43 | 43 | FT 115 |
| LS 90 LU | 140 | 172 | 125 | 162 | 56 | 28 | 37 | 10 | 11 | 90 | 190 | 223 | 265 | 133 | 26 | 86 | 43 | 43 | FT 115 |
| LS 100 L | 160 | 196 | 140 | 165 | 63 | 12 | 40 | 12 | 13 | 100 | 200 | 238 | 290 | 138 | 26 | 86 | 43 | 43 | FT 130 |
| LS 112 M | 190 | 220 | 140 | 165 | 70 | 12 | 45 | 12 | 14 | 112 | 200 | 250 | 290 | 138 | 26 | 86 | 43 | 43 | FT 130 |
| LS 112 MG | 190 | 220 | 140 | 165 | 70 | 12 | 52 | 12 | 14 | 112 | 235 | 260 | 315 | 148 | 36 | 86 | 43 | 43 | FT 130 |
| LS 112 MU | 190 | 220 | 140 | 165 | 70 | 12 | 52 | 12 | 14 | 112 | 235 | 260 | 334 | 148 | 36 | 86 | 43 | 43 | FT 130 |
| LS 132 S | 216 | 250 | 140 | 170 | 89 | 16 | 50 | 12 | 15 | 132 | 235 | 280 | 350 | 175 | 53 | 86 | 43 | 43 | FT 215 |
| LS 132 SM | 216 | 250 | 178 | 208 | 89 | 16 | 59 | 12 | 18 | 132 | 280 | 307 | 387 | 175 | 25 | 110 | 57 | 73 | FT 215 |
| LS 132 M | 216 | 250 | 178 | 208 | 89 | 16 | 59 | 12 | 18 | 132 | 280 | 307 | 387 | 148 | 25 | 110 | 57 | 73 | FT 215 |
| LS 132 MU | 216 | 250 | 178 | 208 | 89 | 16 | 59 | 12 | 18 | 132 | 280 | 307 | 410 | 175 | 25 | 110 | 57 | 73 | FT 215 |
| LS 160 MP | 254 | 294 | 210 | 294 | 108 | 20 | 64 | 15 | 25 | 160 | 280 | 368 | 468 | 235 | 44 | 134 | 92 | 63 | FT 265 |
| LS 160 LR | 254 | 294 | 254 | 316 | 121 | 20 | 79 | 15 | 28 | 180 | 316 | 428 | 520 | 248 | 45 | 205 | 100 | 95 | FT 265 |
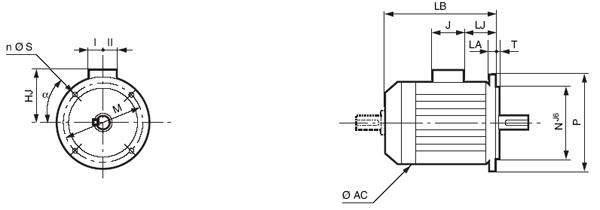
Монтажное исполение фланец FT - IM B14 (IM3601)

| Монтажное исполение фланец FT - IM B14 (IM3601) | ||||||||||||||
| Sym. | M | N | P | T | n | MS | Typе | АC | LB | HJ | LJ | J | I | II |
| FT 65 | 65 | 50 | 80 | 2,5 | 4 | M5 | LS 56 M | 110 | 156 | 84 | 16 | 86 | 43 | 43 |
| FT 75 | 75 | 60 | 90 | 2,5 | 4 | M5 | LS 63 M | 124 | 172 | 89 | 26 | 86 | 43 | 43 |
| FT 85 | 85 | 70 | 105 | 2,5 | 4 | M6 | LS 71 M | 140 | 185 | 99 | 26 | 86 | 43 | 43 |
| FT 85 | 85 | 70 | 105 | 2,5 | 4 | M6 | LS 71 L | 140 | 193 | 99 | 26 | 86 | 43 | 43 |
| FT 100 | 100 | 80 | 120 | 3 | 4 | M6 | LS 80 L | 170 | 215 | 123 | 26 | 86 | 43 | 43 |
| FT 115 | 115 | 95 | 140 | 3 | 4 | M8 | LS 90 S | 190 | 218 | 133 | 26 | 86 | 43 | 43 |
| FT 115 | 115 | 95 | 140 | 3 | 4 | M8 | LS 90 L | 190 | 245 | 133 | 26 | 86 | 43 | 43 |
| FT 115 | 115 | 95 | 140 | 3 | 4 | M8 | LS 90 SL | 190 | 245 | 133 | 26 | 86 | 43 | 43 |
| FT 115 | 115 | 95 | 140 | 3 | 4 | M8 | LS 90 LU | 190 | 265 | 133 | 26 | 86 | 43 | 43 |
| FT 130 | 130 | 110 | 160 | 3,5 | 4 | M8 | LS 100 L | 200 | 290 | 138 | 26 | 86 | 43 | 43 |
| FT 130 | 130 | 110 | 160 | 3,5 | 4 | M8 | LS 112 M | 200 | 290 | 138 | 26 | 86 | 43 | 43 |
| FT 130 | 130 | 110 | 160 | 3,5 | 4 | M8 | LS 112 MG | 235 | 315 | 148 | 36 | 86 | 43 | 43 |
| FT 130 | 130 | 110 | 160 | 3,5 | 4 | M8 | LS 112 MU | 235 | 334 | 148 | 36 | 86 | 43 | 43 |
| FT 215 | 215 | 180 | 250 | 4 | 4 | M12 | LS 132 S | 235 | 350 | 148 | 53 | 86 | 43 | 43 |
| FT 215 | 215 | 180 | 250 | 4 | 4 | M12 | LS 132 SM | 280 | 387 | 175 | 25 | 110 | 57 | 73 |
| FT 215 | 215 | 180 | 250 | 4 | 4 | M12 | LS 132 M | 280 | 387 | 175 | 25 | 110 | 57 | 73 |
| FT 215 | 215 | 180 | 250 | 4 | 4 | M12 | LS 132 MU | 280 | 410 | 175 | 25 | 110 | 57 | 73 |
| FT 265 | 265 | 230 | 300 | 4 | 4 | M12 | LS 160 MP | 280 | 468 | 208 | 44 | 134 | 92 | 63 |
| FT 265 | 265 | 230 | 300 | 4 | 4 | M12 | LS 160 LR | 280 | 495 | 208 | 44 | 134 | 92 | 63 |