Асинхронные трехфазные электродвигатели Leroy-Somer серии FLSES (FLS)
Мощность от 0,18 до 750 кВт.
Скорость 3000, 1500, 1000 и 750 об./мин.
IP55, 230/400В
Асинхронные трехфазные электродвигатели Leroy Somer серии FLSES (FLS) в чугунном корпусе с повышенной антикоррозионной защитой предназначены для тяжелых промышленных применений.
Электродвигатели серии FLSES соответствуют классу энергоэффективности IE2 (High Efficiency) и выпускаются в односкоростном исполнении.
Электродвигатели серии FLS соответствуют классу энергоэффективности IE1 и выпускаются в односкоростном или двухскоростном исполнениях. Переключение обмоток разных скоростей возможно независимое либо по схеме Даландера (DAL) или (PAM). Электродвигатели имеют класс использования изоляции F.
Возможна поставка электродвигателей в исполении для коррзионных и агрессивных окружающих сред, а также с принудительной вентиляцией, энкодером и датчиками температуры обмоток.
Асинхронные трехфазные электродвигатели Leroy-Somer серии FLS
| Модель | Номинальные параметры 400В 50Гц | Масса IM B3, кг | ||||||
|---|---|---|---|---|---|---|---|---|
| Мощность | Частота вращения | Момент | Ток | cos φ | К.П.Д. | Кратность пускового тока | ||
| кВт | об/мин | Нм | А | % | % | |||
| 2 полюса, 3000 об/мин | ||||||||
| FLS 80 L | 0,75 | 2840 | 2,5 | 1,6 | 0,86 | 76 | 5,9 | 15 |
| FLS 80 L | 1,1 | 2837 | 3,7 | 2,4 | 0,84 | 79,5 | 5,6 | 18 |
| FLS 90 S | 1,5 | 2870 | 5 | 3,3 | 0,81 | 82 | 7,3 | 21 |
| FLS 90 L | 2,2 | 2862 | 7,5 | 4,3 | 0,88 | 84,5 | 8,1 | 26 |
| FLS 100 LK | 3 | 2925 | 70 | 5,5 | 0,91 | 86 | 8,4 | 42 |
| FLS 112 M | 4 | 2940 | 13,6 | 7,5 | 0,89 | 86,5 | 8,7 | 48 |
| FLS 132 S | 5,5 | 2940 | 18,7 | 10,6 | 0,86 | 87 | 7,6 | 67 |
| FLS 132 S | 7,5 | 2950 | 25 | 14,1 | 0,87 | 88 | 8,9 | 70 |
| FLS 160 MA | 11 | 2935 | 35,8 | 20 | 0,88 | 88,4 | 8,6 | 97 |
| FLS 160 MB | 15 | 2935 | 48,8 | 27 | 0,88 | 89,7 | 8,6 | 108 |
| FLS 160 L | 18,5 | 2940 | 60 | 33 | 0,9 | 90,8 | 8,4 | 126 |
| FLS 180 MR | 22 | 2940 | 71 | 39 | 0,89 | 91 | 8,5 | 135 |
| FLS 200 LA | 30 | 2950 | 97 | 52 | 0,91 | 92,4 | 7,7 | 245 |
| FLS 200 LB | 37 | 2959 | 120 | 63 | 0,9 | 93,5 | 8,3 | 265 |
| FLS 225 MT | 45 | 2958 | 145 | 78 | 0,89 | 93,8 | 8,3 | 290 |
| FLS 250 M | 55 | 2966 | 177 | 94 | 0,89 | 94,6 | 7,9 | 405 |
| FLS 280 S | 75 | 2965 | 241 | 127 | 0,9 | 94,6 | 8 | 505 |
| FLS 280 M | 90 | 2962 | 290 | 149 | 0,91 | 95,5 | 7,7 | 560 |
| FLS 315 ST | 110 | 2975 | 356 | 178 | 0,93 | 95,8 | 8,2 | 850 |
| Модель | Номинальные параметры 400В 50Гц | Масса IM B3, кг | ||||||
| Мощность | Частота вращения | Момент | Ток | cos φ | К.П.Д. | Кратность пускового тока | ||
| кВт | об/мин | Нм | А | % | % | |||
| 4 полюса, 1500 об/мин | ||||||||
| FLS 80 L | 0,55 | 1410 | 3,7 | 1,6 | 0,74 | 69,2 | 4,4 | 15 |
| FLS 80 L | 0,75 | 1425 | 5 | 2 | 0,75 | 72,5 | 5,7 | 17 |
| FLS 90 S | 1,1 | 1429 | 7,5 | 2,5 | 0,83 | 78 | 4,9 | 19 |
| FLS 90 L | 1,5 | 1428 | 10 | 3,3 | 0,82 | 79,5 | 5,3 | 21 |
| FLS 90 L | 1,8 | 1438 | 12,3 | 4 | 0,82 | 80,1 | 5,9 | 23 |
| FLS 100 LK | 2,2 | 1457 | 15 | 4,6 | 0,83 | 83,8 | 6,3 | 41 |
| FLS 100 LK | 3 | 1454 | 20 | 6,2 | 0,82 | 84,7 | 6,5 | 44 |
| FLS 112 M | 4 | 1462 | 27,5 | 8,4 | 0,81 | 85,1 | 7,4 | 48 |
| FLS 132 S | 5,5 | 1467 | 37 | 10,9 | 0,84 | 87 | 8 | 65 |
| FLS 132 M | 7,5 | 1450 | 50 | 14,3 | 0,87 | 87 | 7,3 | 70 |
| FLS 132 M | 9 | 1449 | 61 | 16,8 | 0,88 | 87,7 | 7,6 | 75 |
| FLS 160 M | 11 | 1455 | 72,2 | 20,9 | 0,86 | 88,5 | 7,8 | 103 |
| FLS 160 L | 15 | 1455 | 98,5 | 27,9 | 0,86 | 89,5 | 7,8 | 120 |
| FLS 180 MR | 18,5 | 1465 | 120 | 35 | 0,86 | 90 | 7,8 | 135 |
| FLS 180 L | 22 | 1465 | 143 | 40,8 | 0,86 | 91,4 | 7,4 | 184 |
| FLS 200 L | 30 | 1471 | 195 | 55,7 | 0,85 | 91,9 | 6,5 | 260 |
| FLS 225 ST | 37 | 1476 | 240 | 69,6 | 0,82 | 93,6 | 7 | 290 |
| FLS 225 M | 45 | 1483 | 290 | 78,6 | 0,87 | 94,5 | 7 | 388 |
| FLS 250 M | 55 | 1479 | 355 | 101 | 0,84 | 94,5 | 6,5 | 395 |
| FLS 280 S | 75 | 1483 | 484 | 137 | 0,84 | 94,9 | 7,7 | 475 |
| FLS 280 M | 90 | 1478 | 581 | 162 | 0,85 | 95 | 7,6 | 565 |
| FLS 315 ST | 110 | 1482 | 710 | 2,3 | 0,83 | 94,8 | 7,3 | 850 |
| FLS 315 M | 132 | 1489 | 850 | 249 | 0,81 | 95 | 8 | 1000 |
| Модель | Номинальные параметры 400В 50Гц | Масса IM B3, кг | ||||||
| Мощность | Частота вращения | Момент | Ток | cos φ | К.П.Д. | Кратность пускового тока | ||
| кВт | об/мин | Нм | А | % | % | |||
| 6 полюсов, 1000 об/мин | ||||||||
| FLS 80 L | 0,25 | 950 | 2,5 | 0,8 | 0,74 | 60,3 | 3,6 | 14 |
| FLS 80 L | 0,37 | 940 | 3,7 | 1,2 | 0,74 | 61 | 3,8 | 15 |
| FLS 80 L | 0,55 | 955 | 5,5 | 1,8 | 0,67 | 65 | 4,4 | 16 |
| FLS 90 S | 0,75 | 940 | 7,5 | 2,1 | 0,8 | 65,2 | 3,5 | 21 |
| FLS 90 L | 1,1 | 940 | 11 | 2,7 | 0,81 | 73,5 | 4,8 | 23 |
| FLS 100 LK | 1,5 | 955 | 15 | 3,5 | 0,78 | 78,3 | 6,3 | 41 |
| FLS 112 M | 2,2 | 960 | 22 | 5,2 | 0,77 | 80 | 5,5 | 45 |
| FLS 132 S | 3 | 953 | 30 | 6,9 | 0,76 | 81,9 | 5,3 | 71 |
| FLS 132 M | 4 | 970 | 40 | 9 | 0,78 | 82,1 | 6,7 | 76 |
| FLS 132 MR | 5,5 | 970 | 54 | 12,2 | 0,79 | 82,1 | 7,1 | 88 |
| FLS 160 M | 7,5 | 968 | 74 | 16 | 0,8 | 86 | 5 | 100 |
| FLS 160 L | 11 | 966 | 109 | 23 | 0,81 | 87 | 5 | 128 |
| FLS 180 L | 15 | 974 | 147 | 30 | 0,82 | 89,5 | 7,1 | 170 |
| FLS 200 LA | 18,5 | 975 | 181 | 36 | 0,83 | 90,7 | 7 | 240 |
| FLS 200 LB | 22 | 973 | 216 | 43 | 0,81 | 91,5 | 7 | 260 |
| FLS 225 M | 30 | 978 | 293 | 59 | 0,8 | 92 | 6 | 392 |
| FLS 250 M | 37 | 977 | 362 | 73 | 0,8 | 92,5 | 6,2 | 394 |
| FLS 280 S | 45 | 971 | 440 | 84 | 0,84 | 93 | 6 | 455 |
| FLS 280 M | 55 | 977 | 538 | 109 | 0,79 | 93 | 6,9 | 532 |
| FLS 315 ST | 75 | 987 | 731 | 133 | 0,86 | 94,8 | 6,5 | 850 |
| FLS 315 M | 90 | 987 | 875 | 161 | 0,85 | 95,6 | 6,7 | 1000 |
| Модель | Номинальные параметры 400В 50Гц | Масса IM B3, кг | ||||||
| Мощность | Частота вращения | Момент | Ток | cos φ | К.П.Д. | Кратность пускового тока | ||
| кВт | об/мин | Нм | А | % | % | |||
| 8 полюсов, 750 об/мин | ||||||||
| FLS 80 L | 0,18 | 710 | 2,5 | 0,8 | 0,64 | 52,3 | 3 | 14 |
| FLS 80 L | 0,25 | 720 | 3,4 | 1,1 | 0,6 | 54,5 | 3,2 | 16 |
| FLS 90 S | 0,37 | 685 | 5 | 1,2 | 0,71 | 64 | 3,5 | 21 |
| FLS 90 L | 0,55 | 695 | 7,5 | 1,7 | 0,72 | 63 | 3,3 | 23 |
| FLS 100 LK | 0,75 | 720 | 10 | 2,3 | 0,68 | 70,9 | 4,1 | 41 |
| FLS 100 LK | 1,1 | 720 | 15 | 3,8 | 0,62 | 68 | 4,1 | 43 |
| FLS 112 M | 1,5 | 725 | 20 | 4,8 | 0,63 | 72,5 | 4 | 45 |
| FLS 132 S | 2,2 | 715 | 30 | 7,2 | 0,6 | 74 | 3,2 | 71 |
| FLS 132 M | 3 | 705 | 40 | 9,1 | 0,63 | 76 | 3,1 | 81 |
| FLS 160 MA | 4 | 710 | 54 | 11,3 | 0,63 | 81,5 | 3,8 | 105 |
| FLS 160 MB | 5,5 | 710 | 74 | 15 | 0,65 | 82 | 3,8 | 111 |
| FLS 160 L | 7,5 | 715 | 100 | 20 | 0,65 | 83 | 3,8 | 128 |
| FLS 180 L | 11 | 724 | 147 | 27 | 0,7 | 85,1 | 3,9 | 175 |
| FLS 200 L | 15 | 729 | 196 | 34 | 0,72 | 88,1 | 5 | 265 |
| FLS 225 ST | 18,5 | 727 | 242 | 41 | 0,73 | 89 | 5 | 285 |
| FLS 225 M | 22 | 732 | 288 | 48 | 0,72 | 92,1 | 5,9 | 388 |
| FLS 250 M | 30 | 729 | 393 | 61 | 0,78 | 91,2 | 6,2 | 393 |
| FLS 280 S | 37 | 723 | 487 | 75 | 0,78 | 92 | 4,5 | 472 |
| FLS 280 M | 45 | 730 | 592 | 102 | 0,7 | 91,7 | 6 | 563 |
| FLS 315 ST | 55 | 738 | 715 | 102 | 0,83 | 94,2 | 7,4 | 850 |
| FLS 315 M | 75 | 743 | 972 | 147 | 0,78 | 94,8 | 7,4 | 1000 |
Каталог асинхронных электродвигателей Leroy Somer серии FLS
Каталог асинхронных электродвигателей Leroy Somer серии FLSES (IE2)
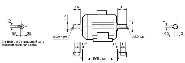
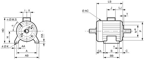
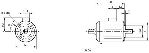
Габаритные и установочные размеры
Размеры вала

| Размеры приводного конца вала (DE) | ||||||||||||||||||
| 4, 6 и 8 полюсов | 2 полюса | |||||||||||||||||
| Тип | F | GD | D | G | E | O | p | L | LO | F | GD | D | G | E | O | p | L | LO |
| FLS 80 L | 6 | 6 | 19j6 | 15,5 | 40 | 6 | 16 | 30 | 6 | 6 | 6 | 19j6 | 15,5 | 40 | 6 | 16 | 30 | 6 |
| FLS 90 S/L | 8 | 7 | 24j6 | 20 | 50 | 8 | 19 | 40 | 6 | 8 | 7 | 24j6 | 20 | 50 | 8 | 19 | 40 | 6 |
| FLS 100 LK | 8 | 7 | 28j6 | 24 | 60 | 10 | 22 | 50 | 6 | 8 | 7 | 28j6 | 24 | 60 | 10 | 22 | 50 | 6 |
| FLS 112 M/MR | 8 | 7 | 28j6 | 24 | 60 | 10 | 22 | 50 | 6 | 8 | 7 | 28j6 | 24 | 60 | 10 | 22 | 50 | 6 |
| FLS 132 S/M/MR | 10 | 8 | 38k6 | 33 | 80 | 12 | 28 | 63 | 10 | 10 | 8 | 38k6 | 33 | 80 | 12 | 28 | 63 | 10 |
| FLS 160 M/L | 12 | 8 | 42k6 | 37 | 110 | 16 | 36 | - | - | 12 | 8 | 42k6 | 37 | 110 | 16 | 36 | - | - |
| FLS 180 MR/L | 14 | 9 | 48k6 | 42,5 | 110 | 16 | 36 | - | - | 14 | 9 | 48k6 | 42,5 | 110 | 16 | 36 | - | - |
| FLS 200 L | 16 | 10 | 55m6 | 49 | 110 | 20 | 42 | - | - | 16 | 10 | 55m6 | 49 | 110 | 20 | 42 | - | - |
| FLS 225 ST/MT/M | 18 | 11 | 60m6 | 53 | 140 | 20 | 42 | - | - | 16 | 10 | 55m6 | 49 | 110 | 20 | 42 | - | - |
| FLS 250 M | 18 | 11 | 65m6 | 58 | 140 | 20 | 42 | - | - | 18 | 11 | 60m6 | 53 | 140 | 20 | 42 | - | - |
| FLS 280 S/M | 20 | 12 | 75m6 | 67,5 | 140 | 20 | 42 | - | - | 18 | 11 | 65m6 | 58 | 140 | 20 | 42 | - | - |
| FLS 315 ST | 22 | 14 | 80m6 | 71 | 170 | 20 | 42 | - | - | 18 | 11 | 65m6 | 58 | 140 | 20 | 42 | - | - |
| FLS 315 M | 22 | 14 | 80m6 | 71 | 170 | 20 | 42 | - | - | 18 | 11 | 65m6 | 58 | 140 | 20 | 42 | - | - |
| FLS 315 L | 25 | 14 | 90m6 | 81 | 170 | 24 | 50 | - | - | 20 | 12 | 70m6 | 62,5 | 140 | 20 | 42 | - | - |
| FLS 355 L/LK | 28 | 16 | 100m6 | 90 | 210 | 24 | 50 | - | - | 22 | 14 | 80m6 | 71 | 170 | 20 | 42 | - | - |
| FLS 400 L/LK/LV | 28 | 16 | 110m6 | 100 | 210 | 24 | 50 | - | - | - | - | - | - | - | - | - | - | - |
| FLS 450 L/LV | 32 | 18 | 120m6 | 109 | 210 | 24 | 50 | - | - | - | - | - | - | - | - | - | - | - |
| Размеры неприводного конца вала (NDE) | ||||||||||||||||||
| 4, 6 и 8 полюсов | 2 полюса | |||||||||||||||||
| Тип | FA | GF | DA | GB | EA | OA | pA | L' | LO' | FA | GF | DA | GB | EA | OA | pA | L' | LO' |
| FLS 80 L | 5 | 5 | 14j6 | 11 | 30 | 5 | 15 | 25 | 3,5 | 5 | 5 | 14j6 | 11 | 30 | 5 | 15 | 25 | 3,5 |
| FLS 90 S/L | 6 | 6 | 19j6 | 15,5 | 40 | 6 | 16 | 30 | 6 | 6 | 6 | 19j6 | 15,5 | 40 | 6 | 16 | 30 | 6 |
| FLS 100 LK | 8 | 7 | 24j6 | 20 | 50 | 8 | 19 | 40 | 6 | 8 | 7 | 24j6 | 20 | 50 | 8 | 19 | 40 | 6 |
| FLS 112 M/MR | 8 | 7 | 24j6 | 20 | 50 | 8 | 19 | 40 | 6 | 8 | 7 | 24j6 | 20 | 50 | 8 | 19 | 40 | 6 |
| FLS 132 S/M/MR | 8 | 7 | 28j6 | 24 | 60 | 10 | 22 | 50 | 6 | 8 | 7 | 28j6 | 24 | 60 | 10 | 22 | 50 | 6 |
| FLS 160 M/L | 12 | 8 | 42k6 | 37 | 110 | 16 | 36 | - | - | 12 | 8 | 42k6 | 37 | 110 | 16 | 36 | - | - |
| FLS 180 MR/L | 14 | 9 | 48k6 | 42,5 | 110 | 16 | 36 | - | - | 14 | 9 | 48k6 | 42,5 | 110 | 16 | 36 | - | - |
| FLS 200 L | 16 | 10 | 55m6 | 49 | 110 | 20 | 42 | - | - | 16 | 10 | 55m6 | 49 | 110 | 20 | 42 | - | - |
| FLS 225 ST/MT/M | 18 | 11 | 60m6 | 53 | 140 | 20 | 42 | - | - | 16 | 10 | 55m6 | 49 | 110 | 20 | 42 | - | - |
| FLS 250 M | 18 | 11 | 60m6 | 53 | 140 | 20 | 42 | - | - | 18 | 11 | 60m6 | 53 | 140 | 20 | 42 | - | - |
| FLS 280 S/M | 20 | 12 | 60m6 | 53 | 140 | 20 | 42 | - | - | 18 | 11 | 60m6 | 53 | 140 | 20 | 42 | - | - |
| FLS 315 ST | 22 | 14 | 80m6 | 71 | 170 | 20 | 42 | - | - | 18 | 11 | 65m6 | 58 | 140 | 20 | 42 | - | - |
| FLS 315 M | 22 | 14 | 80m6 | 71 | 170 | 20 | 42 | - | - | 18 | 11 | 65m6 | 58 | 140 | 20 | 42 | - | - |
| FLS 315 L | 25 | 14 | 90m6 | 81 | 170 | 24 | 50 | - | - | 20 | 12 | 70m6 | 62,5 | 140 | 20 | 42 | - | - |
| FLS 355 L/LK | 28 | 16 | 100m6 | 90 | 210 | 24 | 50 | - | - | 22 | 14 | 80m6 | 71 | 170 | 20 | 42 | - | - |
| FLS 400 L/LK/LV | 28 | 16 | 110m6 | 110 | 210 | 24 | 50 | - | - | - | - | - | - | - | - | - | - | - |
| FLS 450 L/LV | 32 | 18 | 120m6 | 109 | 210 | 24 | 50 | - | - | - | - | - | - | - | - | - | - | - |
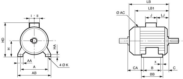
Монтажное исполение на лапах - IM B3 (IM1001)

| Монтажное исполение на лапах - IM B3 (IM1001) | |||||||||||||||||||
| Typе | A | AB | B | BB | C | x | AA | K | НA | Н | AC | НD | LB | LB1¹ | LJ | J | I | II | CA |
| FLS 80 L | 125 | 157 | 100 | 130 | 50 | 20 | 32 | 9 | 10 | 80 | 160 | 222 | 214 | 178 | 33 | 114 | 57 | 57 | 68 |
| FLS 90 S | 140 | 172 | 100 | 160 | 56 | 22 | 34 | 9 | 11 | 90 | 185 | 247 | 243 | 204 | 28 | 114 | 57 | 57 | 93 |
| FLS 90 L | 140 | 172 | 125 | 160 | 56 | 22 | 34 | 9 | 11 | 90 | 185 | 247 | 243 | 204 | 28 | 114 | 57 | 57 | 68 |
| FLS 100 LK | 160 | 200 | 140 | 174 | 63 | 22 | 42 | 12 | 12 | 100 | 226 | 276 | 323 | 276 | 55 | 114 | 57 | 57 | 125 |
| FLS 112 M | 190 | 230 | 140 | 174 | 70 | 22 | 45 | 12 | 12 | 112 | 226 | 288 | 323 | 276 | 55 | 114 | 57 | 57 | 119 |
| FLS 132 S | 216 | 255 | 140 | 223 | 89 | 31 | 58 | 12 | 15 | 132 | 264 | 323 | 387 | 328 | 46 | 114 | 57 | 57 | 164 |
| FLS 132 M | 216 | 255 | 178 | 223 | 89 | 31 | 58 | 12 | 15 | 132 | 264 | 323 | 387 | 328 | 46 | 114 | 57 | 57 | 126 |
| FLS 132 MU | 216 | 255 | 178 | 223 | 89 | 31 | 58 | 12 | 15 | 132 | 264 | 323 | 410 | 352 | 46 | 114 | 57 | 57 | 149 |
| FLS 160 M | 254 | 294 | 210 | 294 | 108 | 20 | 65 | 14 | 20 | 160 | 310 | 385 | 495 | 435 | 50 | 160 | 80 | 80 | 182 |
| FLS 160 L | 254 | 294 | 254 | 294 | 108 | 20 | 65 | 14 | 20 | 160 | 310 | 385 | 495 | 435 | 50 | 160 | 80 | 80 | 138 |
| FLS 180 MR | 279 | 324 | 241 | 295 | 121 | 25 | 80 | 14 | 25 | 180 | 310 | 405 | 515 | 450 | 50 | 160 | 80 | 80 | 158 |
| FLS 180 L | 279 | 330 | 279 | 335 | 121 | 28 | 70 | 14 | 28 | 180 | 350 | 468 | 555 | 480 | 55 | 220 | 128 | 128 | 160 |
| FLS 200 L | 318 | 374 | 305 | 361 | 133 | 28 | 80 | 18 | 44 | 200 | 394 | 515 | 681 | 595 | 65 | 220 | 128 | 128 | 248 |
| FLS 225 ST | 356 | 420 | 286 | 367 | 149 | 28 | 100 | 18 | 35 | 225 | 394 | 540 | 681 | 595 | 65 | 220 | 128 | 128 | 251 |
| FLS 225 MT | 356 | 420 | 311 | 367 | 149 | 28 | 100 | 18 | 35 | 225 | 394 | 540 | 681 | 595 | 65 | 220 | 128 | 128 | 226 |
| FLS 225 M | 356 | 426 | 311 | 375 | 149 | 32 | 80 | 18 | 27 | 225 | 540 | 656 | 780 | 630 | 70 | 352 | 173 | 210 | 326 |
| FLS 250 M | 406 | 476 | 349 | 413 | 168 | 32 | 80 | 22 | 27 | 250 | 540 | 681 | 780 | 630 | 70 | 352 | 173 | 210 | 269 |
| FLS 280 S | 457 | 527 | 368 | 432 | 190 | 32 | 80 | 22 | 27 | 280 | 540 | 711 | 860 | 710 | 70 | 352 | 173 | 210 | 302 |
| FLS 280 M | 457 | 527 | 419 | 483 | 190 | 32 | 80 | 22 | 27 | 280 | 540 | 711 | 960 | 810 | 70 | 352 | 173 | 210 | 357 |
| FLS 315 ST | 508 | 598 | 406 | 547 | 216 | 45 | 90 | 27 | 45 | 315 | 556 | 761 | 1068 | 910 | 68 | 352 | 173 | 210 | 452 |
| FLS 315 M | 508 | 600 | 457 | 598 | 216 | 45 | 100 | 27 | 45 | 315 | 624 | 835 | 1203 | 1030 | 70 | 452 | 217 | 269 | 536 |
| FLS 315 L | 508 | 600 | 508 | 598 | 216 | 45 | 100 | 27 | 45 | 315 | 632 | 835 | 1203 | 1030 | 70 | 452 | 217 | 269 | 485 |
| FLS 355 LA/LB | 610 | 710 | 630 | 710 | 254 | 40 | 110 | 27 | 35 | 355 | 700 | 910 | 1305 | 1118 | 61 | 452 | 217 | 269 | 427 |
| FLS 355 LC/LD | 610 | 710 | 630 | 710 | 254 | 40 | 110 | 27 | 35 | 355 | 700 | 910 | 1430 | 1242 | 61 | 452 | 217 | 269 | 552 |
| FLS 355 LK | 610 | 750 | 630 | 815 | 254 | 40 | 128 | 27 | 45 | 355 | 787 | 1117 | 1687 | 1430 | 52 | 700 | 224 | 396 | 813 |
| FLS 400 L/LV | 686 | 800 | 710 | 815 | 280 | 65 | 128 | 35 | 45 | 400 | 787 | 1162 | 1687 | 1430 | 52 | 700 | 224 | 396 | 707 |
| FLS 400LKA/LKB | 686 | 824 | 800 | 950 | 280 | 59 | 140 | 35 | 45 | 400 | 877 | 1210 | 1835 | 1550 | 68 | 700 | 224 | 396 | 765 |
| FLS 450 L/LV | 750 | 890 | 800 | 950 | 315 | 94 | 140 | 35 | 45 | 450 | 877 | 1260 | 1835 | 1550 | 68 | 700 | 224 | 396 | 730 |
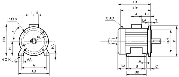
Монтажное исполение комбинированное с фланцем типа FF - IM B35 (IM2001)

| Монтажное исполение комбинированное с фланцем типа FF - IM B35 (IM2001) | |||||||||||||||||||
| Typе | A | AB | B | BB | C | x | AA | K | НA | Н | AC | НD | LB | LB1¹ | LJ | J | I | II | Sym. |
| FLS 80 L | 125 | 157 | 100 | 130 | 50 | 20 | 32 | 9 | 10 | 80 | 160 | 222 | 214 | 178 | 33 | 114 | 57 | 57 | FF 165 |
| FLS 90 S | 140 | 172 | 100 | 160 | 76 | 22 | 34 | 9 | 11 | 90 | 185 | 247 | 263 | 224 | 48 | 114 | 57 | 57 | FF 165 |
| FLS 90 L | 140 | 172 | 125 | 160 | 76 | 22 | 34 | 9 | 11 | 90 | 185 | 247 | 263 | 224 | 48 | 114 | 57 | 57 | FF 165 |
| FLS 100 LK | 160 | 200 | 140 | 174 | 63 | 22 | 42 | 12 | 12 | 100 | 226 | 276 | 323 | 276 | 55 | 114 | 57 | 57 | FF 215 |
| FLS 112 M | 190 | 230 | 140 | 174 | 70 | 22 | 45 | 12 | 12 | 112 | 226 | 288 | 323 | 276 | 55 | 114 | 57 | 57 | FF 215 |
| FLS 132 S | 216 | 255 | 140 | 223 | 89 | 31 | 58 | 12 | 15 | 132 | 264 | 323 | 387 | 328 | 46 | 114 | 57 | 57 | FF 265 |
| FLS 132 M | 216 | 255 | 178 | 223 | 89 | 31 | 58 | 12 | 15 | 132 | 264 | 323 | 387 | 328 | 46 | 114 | 57 | 57 | FF 265 |
| FLS 132 MU | 216 | 255 | 178 | 223 | 89 | 31 | 58 | 12 | 15 | 132 | 264 | 323 | 410 | 352 | 46 | 114 | 57 | 57 | FF 265 |
| FLS 160 M | 254 | 294 | 210 | 294 | 108 | 20 | 65 | 14 | 20 | 160 | 310 | 385 | 495 | 435 | 50 | 160 | 80 | 80 | FF 300 |
| FLS 160 L | 254 | 294 | 254 | 294 | 108 | 20 | 65 | 14 | 20 | 160 | 310 | 385 | 495 | 435 | 50 | 160 | 80 | 80 | FF 300 |
| FLS 180 MR | 279 | 324 | 241 | 295 | 121 | 25 | 80 | 14 | 25 | 180 | 310 | 405 | 515 | 450 | 50 | 160 | 80 | 80 | FF 300 |
| FLS 180 L | 279 | 330 | 279 | 335 | 121 | 28 | 70 | 14 | 28 | 180 | 350 | 468 | 555 | 480 | 55 | 220 | 128 | 128 | FF 300 |
| FLS 200 L | 318 | 374 | 305 | 361 | 133 | 28 | 80 | 18 | 44 | 200 | 394 | 515 | 681 | 595 | 65 | 220 | 128 | 128 | FF 350 |
| FLS 225 ST | 356 | 420 | 286 | 367 | 149 | 28 | 100 | 18 | 35 | 225 | 394 | 540 | 681 | 595 | 65 | 220 | 128 | 128 | FF 400 |
| FLS 225 MT | 356 | 420 | 311 | 367 | 149 | 28 | 100 | 18 | 35 | 225 | 394 | 540 | 681 | 595 | 65 | 220 | 128 | 128 | FF 400 |
| FLS 225 M | 356 | 426 | 311 | 375 | 149 | 32 | 80 | 18 | 27 | 225 | 540 | 656 | 780 | 630 | 70 | 352 | 173 | 210 | FF 400 |
| FLS 250 M | 406 | 476 | 349 | 413 | 168 | 32 | 80 | 22 | 27 | 250 | 540 | 681 | 780 | 630 | 70 | 352 | 173 | 210 | FF 500 |
| FLS 280 S | 457 | 527 | 368 | 432 | 190 | 32 | 80 | 22 | 27 | 280 | 540 | 711 | 860 | 710 | 70 | 352 | 173 | 210 | FF 500 |
| FLS 280 M | 457 | 527 | 419 | 483 | 190 | 32 | 80 | 22 | 27 | 280 | 540 | 711 | 960 | 810 | 70 | 352 | 173 | 210 | FF 500 |
| FLS 315 ST | 508 | 598 | 406 | 547 | 216 | 45 | 90 | 27 | 45 | 315 | 556 | 761 | 1068 | 910 | 68 | 352 | 173 | 210 | FF 600 |
| FLS 315 M | 508 | 600 | 457 | 598 | 216 | 45 | 100 | 27 | 45 | 315 | 624 | 835 | 1203 | 1030 | 70 | 452 | 217 | 269 | FF 600 |
| FLS 315 L | 508 | 600 | 508 | 598 | 216 | 45 | 100 | 27 | 45 | 315 | 632 | 835 | 1203 | 1030 | 70 | 452 | 217 | 269 | FF 600 |
| FLS 355 LA/LB | 610 | 710 | 630 | 710 | 254 | 40 | 110 | 27 | 35 | 355 | 700 | 910 | 1305 | 1118 | 61 | 452 | 217 | 269 | FF 740 |
| FLS 355 LC/LD | 610 | 710 | 630 | 710 | 254 | 40 | 110 | 27 | 35 | 355 | 700 | 910 | 1430 | 1242 | 61 | 452 | 217 | 269 | FF 740 |
| FLS 355 LK | 610 | 750 | 630 | 815 | 254 | 40 | 128 | 27 | 45 | 355 | 787 | 1117 | 1687 | 1430 | 52 | 700 | 224 | 396 | FF 740 |
| FLS 400 L/LV | 686 | 800 | 710 | 815 | 280 | 65 | 128 | 35 | 45 | 400 | 787 | 1162 | 1687 | 1430 | 52 | 700 | 224 | 396 | FF 940 |
| FLS 400LKA/LKB | 686 | 824 | 800 | 950 | 280 | 59 | 140 | 35 | 45 | 400 | 877 | 1210 | 1835 | 1550 | 68 | 700 | 224 | 396 | FF 940 |
| FLS 450 LA | 750 | 890 | 800 | 950 | 315 | 94 | 140 | 35 | 45 | 450 | 877 | 1260 | 1835 | 1550 | 68 | 700 | 224 | 396 | FF1080 |
Монтажное исполение фланец FF - IM B5 (IM3001)

| Монтажное исполение фланец FF - IM B5 (IM3001) | ||||||||||||||||
| Размеры фланцев | Размеры электродвигателей | |||||||||||||||
| Symb. | M | N | P | T | п | S | LA | Typе | AC | LB | LB1¹ | НJ | LJ | J | I | II |
| FF 165 | 165 | 130 | 200 | 3,5 | 4 | 12 | 10 | FLS 80 L | 160 | 214 | 178 | 142 | 33 | 114 | 57 | 57 |
| FF 165 | 165 | 130 | 200 | 3,5 | 4 | 12 | 10 | FLS 90 S | 185 | 263 | 224 | 153 | 48 | 114 | 57 | 57 |
| FF 165 | 165 | 130 | 200 | 3,5 | 4 | 12 | 10 | FLS 90 L | 185 | 263 | 224 | 153 | 48 | 114 | 57 | 57 |
| FF 215 | 215 | 180 | 250 | 4 | 4 | 15 | 12 | FLS 100 LK | 226 | 323 | 276 | 176 | 55 | 114 | 57 | 57 |
| FF 215 | 215 | 180 | 250 | 4 | 4 | 15 | 12 | FLS 112 M | 226 | 323 | 276 | 176 | 55 | 114 | 57 | 57 |
| FF 265 | 265 | 230 | 300 | 4 | 4 | 15 | 14 | FLS 132 S | 264 | 387 | 328 | 195 | 46 | 114 | 57 | 57 |
| FF 265 | 265 | 230 | 300 | 4 | 4 | 15 | 14 | FLS 132 M | 264 | 387 | 328 | 195 | 46 | 114 | 57 | 57 |
| FF 265 | 265 | 230 | 300 | 4 | 4 | 15 | 14 | FLS 132 MU | 264 | 410 | 352 | 195 | 46 | 114 | 57 | 57 |
| FF 300 | 300 | 250 | 350 | 5 | 4 | 19 | 15 | FLS 160 M | 310 | 495 | 435 | 225 | 50 | 160 | 80 | 80 |
| FF 300 | 300 | 250 | 350 | 5 | 4 | 19 | 15 | FLS 160 L | 310 | 495 | 435 | 225 | 50 | 160 | 80 | 80 |
| FF 300 | 300 | 250 | 350 | 5 | 4 | 19 | 15 | FLS 180 MR | 310 | 515 | 450 | 225 | 50 | 160 | 80 | 80 |
| FF 300 | 300 | 250 | 350 | 5 | 4 | 19 | 15 | FLS 180 L | 350 | 555 | 480 | 280 | 55 | 220 | 128 | 128 |
| FF 350 | 350 | 300 | 400 | 5 | 4 | 18 | 15 | FLS 200 L | 394 | 681 | 595 | 315 | 65 | 220 | 128 | 128 |
| FF 400 | 400 | 350 | 450 | 5 | 8 | 18 | 16 | FLS 225 ST | 394 | 681 | 595 | 315 | 65 | 220 | 128 | 128 |
| FF 400 | 400 | 350 | 450 | 5 | 8 | 18 | 16 | FLS 225 MT | 394 | 681 | 595 | 315 | 65 | 220 | 128 | 128 |
| FF 400 | 400 | 350 | 450 | 5 | 8 | 18 | 16 | FLS 225 M | 540 | 780 | 630 | 431 | 70 | 352 | 173 | 210 |
| FF 500 | 500 | 450 | 550 | 5 | 8 | 18 | 18 | FLS 250 M | 540 | 780 | 630 | 431 | 70 | 352 | 173 | 210 |
| FF 500 | 500 | 450 | 550 | 5 | 8 | 18 | 18 | FLS 280 S | 540 | 860 | 710 | 431 | 70 | 352 | 173 | 210 |
| FF 500 | 500 | 450 | 550 | 5 | 8 | 18 | 18 | FLS 280 M | 540 | 960 | 810 | 431 | 70 | 352 | 173 | 210 |
| FF 600 | 600 | 550 | 660 | 6 | 8 | 22 | 25 | FLS 315 ST | 556 | 1068 | 910 | 446 | 68 | 352 | 173 | 210 |
| FF 600 | 600 | 550 | 660 | 6 | 8 | 22 | 25 | FLS 315 M | 624 | 1203 | 1030 | 520 | 70 | 452 | 217 | 269 |
| FF 600 | 600 | 550 | 660 | 6 | 8 | 22 | 25 | FLS 315 L | 632 | 1203 | 1030 | 520 | 70 | 452 | 217 | 269 |
| FF 740 | 740 | 680 | 800 | 6 | 8 | 22 | 25 | FLS 355 LA/LB | 700 | 1305 | 1118 | 555 | 61 | 452 | 217 | 269 |
| FF 740 | 740 | 680 | 800 | 6 | 8 | 22 | 25 | FLS 355 LC/LD | 700 | 1305 | 1242 | 555 | 61 | 452 | 217 | 269 |
| FF 740 | 740 | 680 | 800 | 6 | 8 | 22 | 25 | FLS 355 LK | 787 | 1687 | 1430 | 762 | 52 | 700 | 224 | 396 |
| FF 940 | 940 | 880 | 1000 | 6 | 8 | 28 | 28 | FLS 400 L/LV | 787 | 1687 | 1430 | 762 | 52 | 700 | 224 | 396 |
| FF 940 | 940 | 880 | 1000 | 6 | 8 | 28 | 28 | FLS 400 LKA/LKB | 877 | 1835 | 1550 | 810 | 68 | 700 | 224 | 396 |
| FF 1080 | 1080 | 1000 | 1150 | 6 | 8 | 28 | 30 | FLS 450 L/LV | 877 | 1835 | 1550 | 810 | 68 | 700 | 224 | 396 |
Электродвигатели с монтажным исполнением IM B5 только до габарита 225 мм
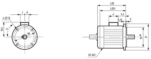
Монтажное исполение комбинированное с фланецем FT - IM B34 (IM2601)

| Монтажное исполение комбинированное с фланецем FT - IM B34 (IM2601) | |||||||||||||||||||
| Typе | A | AB | B | BB | C | x | AA | K | НA | Н | AC | НD | LB | LJ | J | I | II | CA | Symb. |
| FLS 80 L | 125 | 157 | 100 | 130 | 50 | 20 | 32 | 9 | 10 | 80 | 160 | 222 | 214 | 33 | 114 | 57 | 57 | 68 | FT 100 |
| FLS 90 S | 140 | 172 | 100 | 160 | 56 | 22 | 34 | 10 | 11 | 90 | 185 | 247 | 243 | 28 | 114 | 57 | 57 | 93 | FT 115 |
| FLS 90 L | 140 | 172 | 125 | 160 | 56 | 22 | 34 | 10 | 11 | 90 | 185 | 247 | 243 | 28 | 114 | 57 | 57 | 68 | FT 115 |
| FLS 100 LK | 160 | 200 | 140 | 174 | 63 | 22 | 42 | 12 | 12 | 100 | 226 | 276 | 323 | 55 | 114 | 57 | 57 | 125 | FT 130 |
| FLS 112 M | 190 | 230 | 140 | 174 | 70 | 22 | 45 | 12 | 12 | 112 | 226 | 288 | 323 | 55 | 114 | 57 | 57 | 119 | FT 130 |
| FLS 112 MR | 190 | 230 | 140 | 174 | 70 | 22 | 45 | 12 | 12 | 112 | 226 | 288 | 345 | 28 | 114 | 57 | 57 | 142 | FT 130 |
| FLS 132 M | 216 | 255 | 178 | 223 | 89 | 31 | 58 | 12 | 15 | 132 | 264 | 323 | 387 | 46 | 114 | 57 | 57 | 126 | FT 215 |
| FLS 132 MR | 216 | 255 | 178 | 223 | 89 | 31 | 58 | 12 | 15 | 132 | 264 | 323 | 387 | 46 | 114 | 57 | 57 | 126 | FT 215 |
Монтажное исполение фланец FT - IM B14 (IM3601)

| Монтажное исполение фланец FT - IM B14 (IM3601) | ||||||||||||||
| Размеры фланцев | Размеры электродвигателей | |||||||||||||
| Sym. | M | N | P | T | n | MS | Typе | AC | LB | НJ | LJ | J | I | II |
| FT 100 | 100 | 80 | 120 | 3 | 4 | M6 | FLS 80 L | 160 | 214 | 142 | 33 | 114 | 57 | 57 |
| FT 115 | 115 | 95 | 140 | 3 | 4 | M8 | FLS 90 L | 185 | 243 | 157 | 28 | 114 | 57 | 57 |
| FT 115 | 115 | 95 | 140 | 3 | 4 | M8 | FLS 90 S | 185 | 243 | 157 | 28 | 114 | 57 | 57 |
| FT 130 | 130 | 110 | 160 | 3,5 | 4 | M8 | FLS 100 LK | 226 | 323 | 176 | 55 | 114 | 57 | 57 |
| FT 130 | 130 | 110 | 160 | 3,5 | 4 | M8 | FLS 112 M | 226 | 323 | 176 | 55 | 114 | 57 | 57 |
| FT 130 | 130 | 110 | 160 | 3,5 | 4 | M8 | FLS 112 MR | 226 | 345 | 176 | 28 | 114 | 57 | 57 |
| FT 215 | 215 | 180 | 250 | 4 | 4 | M12 | FLS 132 M | 264 | 387 | 191 | 46 | 114 | 57 | 57 |
| FT 215 | 215 | 180 | 250 | 4 | 4 | M12 | FLS 132 MR | 264 | 387 | 191 | 46 | 114 | 57 | 57 |
| FT 215 | 215 | 180 | 250 | 4 | 4 | M12 | FLS 132 S | 264 | 387 | 191 | 46 | 114 | 57 | 57 |