Червячные мотор-редукторы Leroy-Somer серии Multibloc 2000

Multibloc 2000
Leroy-Somer
Номинальный крутящий момент – до 1500 Нм
Номинальная мощность – до 9 кВт

Multibloc 2000 червячные мотор-редукторы устанавливаемыe на лапы, фланец либо вал приводимого механизма для навесного исполнения с компенсацией момента через компенсатор.
Серия включает шесть габаритов: 31, 22, 23, 24, 25, 26.
Номинальный выходной момент: 20 - 1500 Н.м.
Номинальная мощность: от 0.18 до 9 кВт. Коэффициент передачи: 5,2 to 100.
К.П.Д.: от 55 до 85%.
Низкий уровень шума при работе.

Компонент Материалы Комментарии
Корпус Чугун - применение чугуна FGL (чешуйки графита: предел прочности на разрыв 200 МПа), однокомпонентный перлит для того чтобы гарантировать герметичность корпуса
- цельнолитой корпус, с оребренной внутренней поверхностью для снижения вибраций, шумов и увеличения жесткости корпуса
- с корпусом NU редукторы имеют компактное исполнене и могут быть адаптированы к техническим требованиям приложения при помощи лап S, фланцев BS, BD или при помощи компенсатора момента R (Mb 31).
Шестерни Бронза - шестерни имеют чугунную или стальную вставку, заблокированы относительно червяка и размещены в подшипниках большлго диаметра без промежуточных щитов
Червяки Cталь - после нарезки червячной фрезой проходят термообработку и затем окончательную обработку
Вал Сталь - обработка уплотнительных поверхностей
- полый вал со шпонкой по ISO R 773
- допуски на диаметр h6 для выходного вала и H7 для полого вала
- резьбовые отверствия на стандартном валу для фиксации DIN 332 версия DR для подсоединения механизма
Уплотнения Нитрил - противопыльное манжетное уплотнение по DIN 3760 форма AS
Подшипниковые щиты Чугун - для габаритп 26 усиленные большими ребрами, для сохрнения жесткости редуктора под большими нагрузками
Смазка Масло - по ISO 6743/6
- поставляется с необходимым количеством в соответствии с монтажным исполнением. Редуктор оборудован отверствиями слива, контроля уровня и дыхательным клапаном (кроме Mb 31)
Исполнение AP : редуктор с входным валом (кроме Mb 31)
MU (FF или FT): универсальное исполнение со стандартным электродвигателем по IEC
Стандартный электродвигатель Стандартный LS : напряжение 220/380 V - 230/400 V - 240/415 V
- диффузор вентилятора из штампованой стали, по заказу устанавливается каплеотбойник для работы в вертикальном положении (вал вниз)
- металлическая коробка выводов с кабельным вводом
- стандартная степень защиты IP 55
Электродвигатель с тормозом FCR : отказоустойчивый тормоз для асинхронных электродвигателей от 0,18 до 9 кВт, IP 55
Окраска Краска RAL 6000 (зеленая) система I (1 слой полиуретан-винила 25-30 µм)

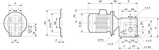
Габариты мотор-редукторов Mb

Габариты мотор-редукторов Mb

Тип D E HF I M2 R S2 V x X XA XB XF Вес, кг
Mb 2601 50 188 100 93,5 165 260 M10x15 160 100 M14x20 125 65 100 51
Mb 2501 45 168 90 78 180 225 M12x20 135 80 M12x20 110 65 90 46
Mb 2401 35 138 75 64 130 190 M10x15 115 63 M10x15 101 61 86 28
Mb 2301 30 118 63 54 115 160 M8x12 97 55 M8x12 77 43 70 16
Mb 2201 25 108 56 49 105 140 M8x12 84 45 M8x12 67 38 60 12
Mb 3101 20 90 50 41 85 120 M8x12 54.5 40 M8x12 - 31.5 63 6

Монтажное исполнение и рабочее положение редукторов

Стандартное исполнение поверхность D вниз, электродвигатель с противоположной стороны от поверхности F

1 – Монтажное исполнение
Монтажное исполнение
2 – Выходной вал и опции
  Выходной вал и опции
3 – Положение


NU, NS D, NS U, R mounting
ПоложениеNU, NS D, NS U, R mounting

   BS, BN, BD mounting
Положение BS, BN, BD mounting