Синхронные генераторы LSA 49.1 Leroy Somer
Специально адаптированы для различных применений Синхронные генераторы LSA 49.1 разработаны для всех основных применений в генерации электроэнергии: резервное электропитание, производство электроэнергии, когенерация, морское применение, жилые зоны, телекоммуникации, и т.п.
Великолепные электрические характеристики
- Изоляция класса H
- Стандартная 12-проводная переключаемая обмотка с шагом 2/3, тип № 6.
- Диапазон напряжений: 220 В - 240 В и 380 В - 415 В (440 В) - 50 Гц / 208 В - 240 В и 380 В - 480 В - 60 Гц.
- Высокий К.П.Д. и способность запуска асинхронных электродвигателей.
Другие напряжения возможны с опциональными обмотками:
- 50 Гц: 440 В (№ 7), 500 В (№ 9), 600 В (№ 22 или 23), 690 В (№ 10 или 52)
- 60 Гц: 380 В и 416 В (№ 8), 600 В (№ 9).
- Полный коэффициент гармоник < 2%.
- R 791 подавление радиопомех по стандарту EN 55011 группа 1 класс B стандарт для Европейской зоны (маркировка CE ).
Система регулирования и возбуждения
|
Система возбуждения
|
Опции регулирования
| |||||||
|
Автоматический регулятор напряжения
|
SHUNT
|
AREP
|
PMG
|
C.T. трансфор-матор тока для парал-лельной работы
|
R726 для парал-лельной работы с сетью
|
R731 измерение напряжения по 3-м фазам
|
R734 измерение напря-жения по 3-м фазам для парал-лельной работы с несбалан-сированной сетью
|
P дистан-ционный потен-циометр регулировки напяжения
|
| R250 |
стд
|
-
|
-
|
-
|
-
|
-
|
-
|
√
|
| R448 |
опция
|
стд
|
стд
|
√
|
√
|
√
|
√
|
√
|
| DESC 100 |
-
|
опция
|
опция
|
√
|
включен
|
включен
|
NA
|
√
|
Точность поддержания напряжения +/- 0.5%
- √ : возможна установка
- NA : невозможна.
Таблица мощностей синхронных генераторов LSA 49.1
|
Обозначение
|
Мощность кВА / кВт
| |||
|
400В 50Гц
|
380В 50Гц
| |||
|
основная 40°С
|
резервная 40°С
|
резервная 27°С
|
морской регистр 45°C
| |
|
Синхронные генераторы LSA 47.2
| ||||
| LSA 49.2 S4 |
660 / 528
|
693 / 554
|
728 / 528
|
-
|
| LSA 49.1 M6 |
725 / 580
|
760 / 608
|
800 / 640
|
-
|
| LSA 49.1 M75 |
800 / 640
|
850 / 672
|
880 / 704
|
-
|
| LSA 49.1 L9 |
880 / 704
|
920 / 736
|
960 / 768
|
-
|
| LSA 49.1 L10 |
910 / 728
|
955 / 754
|
1000 / 800
|
-
|
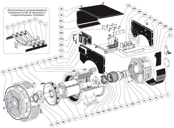
LSA 49.1 4-х полюсные - одноопорное исполнение

|
№
|
Кол-во
|
Наименование
|
|
1
|
1
|
Сборка статора
|
|
4
|
1
|
Сборка ротора
|
|
15
|
1
|
Вентилятор
|
|
18
|
1
|
Балансировочный диск
|
|
21
|
1
|
Рым-болт
|
|
28
|
1
|
Клемма заземления
|
|
30
|
1
|
Стыковочный фланец приводного конца
|
|
31
|
6
|
Фиксирующий винт
|
|
33
|
1
|
Защитная решетка
|
|
34
|
2
|
Фиксирующий винт
|
|
36
|
1
|
Задний подшипниковый щит
|
|
37
|
4
|
Фиксирующий винт
|
|
41
|
1
|
Передняя стенка коробки выводов
|
|
48
|
1
|
Крышка коробки выводов
|
|
49
|
-
|
Винты коробки выводов
|
|
51
|
1
|
Решетка забора воздуха
|
|
53
|
1
|
Пробка
|
|
59
|
1
|
Дверца доступа к регулятору напряжения
|
|
70
|
1
|
Пошипник неприводного конца
|
|
71
|
1
|
Задняя крышка подшипника
|
|
78
|
1
|
Внутренняя крышка заднего подшипника
|
|
79
|
1
|
Подпружиненая шайба
|
|
90
|
1
|
Статор возбудителя (индуктор)
|
|
91
|
4
|
Фиксирующий статор возбудителя винт
|
|
100
|
1
|
Якорь возбудителя
|
|
107
|
1
|
Панель крепления диодного моста
|
|
172
|
-
|
Изолятор
|
|
177
|
2
|
Кронштейн крепления регулятора
|
|
198
|
1
|
Автоматический регулятор напряжения
|
|
254
|
1
|
Правая нижняя панель коробке выводов
|
|
255
|
1
|
Левая нижняя панель коробке выводов
|
|
268
|
1
|
Нижнее основание клеммного блока
|
|
269
|
1
|
Заднее основание клеммного блока
|
|
270
|
3
|
Клеммы нейтрали
|
|
277
|
3 / 4
|
Опоры нейтрали
|
|
278
|
1
|
Шина нейтрали
|
|
279
|
6 / 8
|
Соединительная перемычка
|
|
280
|
3 / 4
|
Пластиковая опора нейтрали
|
|
281
|
2
|
Кронштейн крепления клеммного блока
|
|
282
|
2
|
Кронштейн к репления нейтрали
|
|
283
|
4 / 6
|
Пластиковый или медный кронштейн
|
|
284
|
1
|
Стопорное кольцо
|
|
290
|
1
|
Корпус генератора PMG
|
|
291
|
1
|
Регулируемый вал
|
|
292
|
1
|
Ротрор с постоянными магнитами
|
|
293
|
1
|
Статор генератора PMG
|
|
294
|
2
|
Фиксирующий винт
|
|
295
|
1
|
Монтажная шпилька
|
|
296
|
1
|
Опорная гайка и шайба
|
|
297
|
1
|
Крышка генератора PMG
|
|
320
|
1
|
Ступица стыковочного диска
|
|
321
|
1
|
Шпонка ступицы
|
|
322
|
3
|
Стыковочный диск
|
|
323
|
8
|
Болты
|
|
325
|
-
|
Регулировочный диск
|
|
343
|
1
|
Блок диодного моста
|
|
347
|
1
|
Варистор +С.I. (подавитель помех)
|
|
349
|
1
|
Соединительное кольцо
|
|
364
|
1
|
Панель крепления автоматического регулятора напряжения
|
|
365
|
1
|
Задняя панель коробки выводов
|
|
367
|
2
|
Левая б оковая панель
|
|
368
|
2
|
Правая боковая панель
|
|
371
|
4
|
Амортзатор
|
|
417
|
1
|
Решетка крепления фильтра
|
|
418
|
1
|
Фильтр
|
LSA 49.1 4-х полюсные - двухопорное исполнение

|
№
|
Кол-во
|
Наименование
|
|
1
|
1
|
Сборка статора
|
|
4
|
1
|
Сборка ротора
|
|
15
|
1
|
Вентилятор
|
|
18
|
1
|
Балансировочный диск
|
|
21
|
1
|
Рым-болт
|
|
22
|
1
|
Шпонка
|
|
28
|
1
|
Клемма заземления
|
|
30
|
1
|
Стыковочный фланец приводного конца
|
|
31
|
6
|
Фиксирующий винт
|
|
33
|
1
|
Защитная решетка
|
|
34
|
2
|
Фиксирующий винт
|
|
36
|
1
|
Задний подшипниковый щит
|
|
37
|
4
|
Фиксирующий винт
|
|
41
|
1
|
Передняя стенка коробки выводов
|
|
48
|
1
|
Крышка коробки выводов
|
|
49
|
-
|
Винты коробки выводов
|
|
51
|
1
|
Решетка забора воздуха
|
|
53
|
1
|
Пробка
|
|
60
|
1
|
Передний подшипник
|
|
62
|
4
|
Винт крышки подшипника
|
|
68
|
1
|
Внутренняя крышка подшипника
|
|
70
|
1
|
Пошипник неприводного конца
|
|
71
|
1
|
Задняя крышка подшипника
|
|
78
|
1
|
Внутренняя крышка заднего подшипника
|
|
79
|
1
|
Подпружиненая шайба
|
|
90
|
1
|
Статор возбудителя (индуктор)
|
|
91
|
4
|
Фиксирующий статор возбудителя винт
|
|
100
|
1
|
Якорь возбудителя
|
|
107
|
1
|
Панель крепления диодного моста
|
|
172
|
-
|
Изолятор
|
|
177
|
2
|
Кронштейн крепления регулятора
|
|
198
|
1
|
Автоматический регулятор напряжения
|
|
254
|
1
|
Правая нижняя панель коробке выводов
|
|
255
|
1
|
Левая нижняя панель коробке выводов
|
|
268
|
1
|
Нижнее основание клеммного блока
|
|
269
|
1
|
Заднее основание клеммного блока
|
|
270
|
3
|
Клеммы нейтрали
|
|
277
|
3 / 4
|
Опоры нейтрали
|
|
278
|
1
|
Шина нейтрали
|
|
279
|
6 / 8
|
Соединительная перемычка
|
|
280
|
3 / 4
|
Пластиковая опора нейтрали
|
|
281
|
2
|
Кронштейн крепления клеммного блока
|
|
282
|
2
|
Кронштейн к репления нейтрали
|
|
283
|
4 / 6
|
Пластиковый или медный кронштейн
|
|
284
|
1
|
Стопорное кольцо
|
|
290
|
1
|
Корпус генератора PMG
|
|
291
|
1
|
Регулируемый вал
|
|
292
|
1
|
Ротрор с постоянными магнитами
|
|
293
|
1
|
Статор генератора PMG
|
|
294
|
2
|
Фиксирующий винт
|
|
295
|
1
|
Монтажная шпилька
|
|
296
|
1
|
Опорная гайка и шайба
|
|
297
|
1
|
Крышка генератора PMG
|
|
320
|
1
|
Ступица стыковочного диска
|
|
321
|
1
|
Шпонка ступицы
|
|
322
|
3
|
Стыковочный диск
|
|
323
|
8
|
Болты
|
|
325
|
-
|
Регулировочный диск
|
|
343
|
1
|
Блок диодного моста
|
|
347
|
1
|
Варистор +С.I. (подавитель помех)
|
|
349
|
1
|
Соединительное кольцо
|
|
364
|
1
|
Панель крепления автоматического регулятора напряжения
|
|
365
|
1
|
Задняя панель коробки выводов
|
|
367
|
2
|
Левая б оковая панель
|
|
368
|
2
|
Правая боковая панель
|
|
371
|
4
|
Амортзатор
|
|
417
|
1
|
Решетка крепления фильтра
|
|
418
|
1
|
Фильтр
|