Синхронные генераторы LSA 43.2 и LSA 44.2 Leroy Somer
Специально адаптированы для различных применений Синхронные генераторы LSA 43.2 и LSA 44.2 разработаны для всех основных применений в генерации электроэнергии: резервное электропитание, производство электроэнергии, когенерация, морское применение, жилые зоны, телекоммуникации, и т.п.
Великолепные электрические характеристики
- Изоляция класса H
- Стандартная 12-проводная переключаемая обмотка с шагом 2/3, тип № 6.
- Диапазон напряжений: 220 В - 240 В и 380 В - 415 В (440 В) - 50 Гц / 208 В - 240 В и 380 В - 480 В - 60 Гц.
- Высокий К.П.Д. и способность запуска асинхронных электродвигателей.
Другие напряжения возможны с опциональными обмотками:
- 50 Гц: 440 В (№ 7), 500 В (№ 9), 600 В (№ 22 или 23), 690 В (№ 10 или 52)
- 60 Гц: 380 В и 416 В (№ 8), 600 В (№ 9).
- Полный коэффициент гармоник < 2%.
- R 791 подавление радиопомех по стандарту EN 55011 группа 1 класс B стандарт для Европейской зоны (маркировка CE ).
Система регулирования и возбуждения
|
Система возбуждения
|
Опции регулирования
| |||||||
|
Автоматический регулятор напряжения
|
SHUNT
|
AREP
|
PMG
|
C.T. трансфор-матор тока для парал-лельной работы
|
R726 для парал-лельной работы с сетью
|
R731 измерение напряжения по 3-м фазам
|
R734 измерение напря-жения по 3-м фазам для парал-лельной работы с несбалан-сированной сетью
|
P дистан-ционный потен-циометр регулировки напяжения
|
| R250 |
стд
|
-
|
-
|
-
|
-
|
-
|
-
|
√
|
| R438 |
-
|
стд
|
стд
|
√
|
√
|
√
|
√
|
√
|
| R448 |
опция
|
-
|
-
|
√
|
√
|
√
|
√
|
√
|
| DESC 100 |
-
|
опция
|
опция
|
√
|
включен
|
включен
|
NA
|
√
|
Точность поддержания напряжения +/- 0.5%
- √ : возможна установка
- NA : невозможна.
ООО "Приводные Системы" осуществляет поставку любых оригинальных запасных частей необходимых для проведения качественного ремонта электрооборудования.
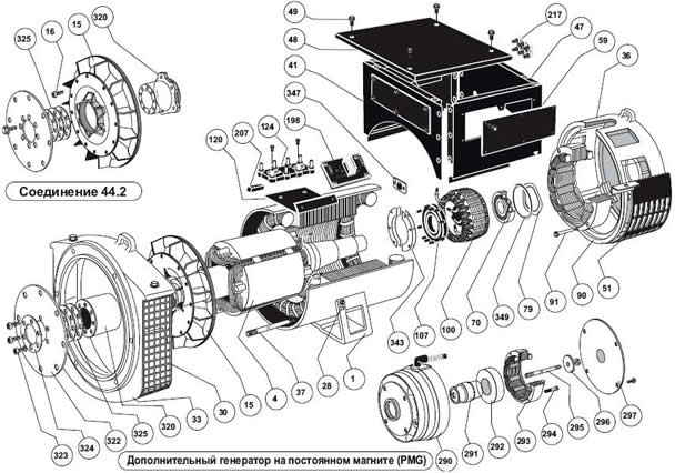
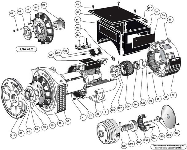
Для упрощения процедуры выбора запасных частей далее приводятся сборочные диаграммы синхронных генераторов и перечень запасных частей.
При самостоятельном заказе запасных частей необходимо сообщить наименование и серийный номер изделия, а так же номера необходимых запасных частей по сборочной диаграмме изделия.
Таблица мощностей синхронных генераторов LSA 43.2 и LSA 44.2
|
Обозначение
|
Мощность кВА / кВт
| |||
|
400В 50Гц
|
380В 50Гц
| |||
|
основная 40°С
|
резервная 40°С
|
резервная 27°С
|
морской регистр 45°C
| |
|
Синхронные генераторы LSA 43.2
| ||||
| LSA 43.2 S1 |
35 / 28
|
40 / 32
|
45 / 36
|
-
|
| LSA 43.2 S15 |
40 / 32
|
44 / 35
|
47 / 38
|
-
|
| LSA 43.2 S25 |
45 / 36
|
49 / 39
|
52 / 42
|
-
|
| LSA 43.2 S35 |
53 / 42
|
56 / 45
|
58 / 46
|
-
|
| LSA 43.2 M45 |
60 / 48
|
63 / 50
|
66 / 53
|
-
|
| LSA 43.2 L65 |
70 / 56
|
74 / 59
|
77 / 62
|
-
|
| LSA 43.2 L8 |
80 / 64
|
84 / 67
|
88 / 70
|
-
|
|
Синхронные генераторы LSA 43.2
| ||||
| LSA 44.2 VS3 |
90 / 72
|
95 / 76
|
100 / 80
|
-
|
| LSA 44.2 VS45 |
105 / 84
|
110 / 88
|
116 / 93
|
-
|
| LSA 44.2 S7 |
125 / 100
|
131 / 105
|
138 / 110
|
-
|
| LSA 44.2 S75 |
135 / 108
|
143 / 114
|
150 / 120
|
-
|
| LSA 44.2 M95 |
150 / 120
|
156 / 125
|
165 / 132
|
-
|
| LSA 44.2 L12 |
165 / 132
|
170 / 136
|
175 / 140
|
-
|
LSA 43.2 и 44.2 4-х полюсные - одноопорное исполнение

|
№
|
Кол-во
|
Наименование
|
|
1
|
1
|
Сборка статора
|
|
4
|
1
|
Сборка ротора
|
|
15
|
1
|
Вентилятор
|
|
16
|
6
|
Фиксирующий винт (только для LSA 44.2)
|
|
28
|
1
|
Клемма заземления
|
|
30
|
1
|
Стыковочный фланец приводного конца
|
|
33
|
1
|
Защитная решетка
|
|
36
|
1
|
Задний подшипниковый щит
|
|
37
|
4
|
Шпилька
|
|
41
|
1
|
Передняя стенка коробки выводов
|
|
47
|
1
|
Задняя часть коробки выводов
|
|
48
|
1
|
Крышка коробки выводов
|
|
49
|
34
|
Винты коробки выводов
|
|
51
|
1
|
Решетка забора воздуха
|
|
59
|
3
|
Люк доступа к элекментам коробки выводов
|
|
70
|
1
|
Пошипник неприводного конца
|
|
79
|
1
|
Подпружиненая шайба
|
|
90
|
1
|
Статор возбудителя
|
|
91
|
4
|
Фиксирующий статор возбудителя винт
|
|
100
|
1
|
Якорь возбудителя
|
|
107
|
1
|
Кронштейн диодного моста
|
|
120
|
1
|
Панель клеммного блока
|
|
124
|
2
|
Клеммный блок
|
|
198
|
1
|
Автоматический регулятор напряжения
|
|
207
|
1
|
Амортизатор регулятора напряжения (SHUNT)
|
|
217
|
1
|
Клеммный блок
|
|
290
|
1
|
Корпус генератора PMG
|
|
291
|
1
|
Регулируемый вал
|
|
292
|
1
|
Ротрор с постоянными магнитами
|
|
293
|
1
|
Статор генератора PMG
|
|
294
|
2
|
Фиксирующий винт
|
|
295
|
1
|
Монтажная шпилька
|
|
296
|
1
|
Опорная гайка и шайба
|
|
297
|
1
|
Крышка генератора PMG
|
|
320
|
1
|
Ступица (для LSA 43.2 L7 и 44.2)
|
|
322
|
1
|
Стыковочный диск
|
|
323
|
-
|
Болты
|
|
324
|
1
|
Зажимная шайба (LSA 43.2 S1 - L6)
|
|
325
|
-
|
Регулировочный диск (LSA 43.2 L7 и 44.2)
|
|
343
|
1
|
Блок диодного моста
|
|
347
|
1
|
Варистор (подавитель помех)
|
|
349
|
1
|
Соединительное кольцо
|
LSA 43.2 и 44.2 4-х полюсные - двухопорное исполнение

|
№
|
Кол-во
|
Наименование
|
|
1
|
1
|
Сборка статора
|
|
4
|
1
|
Сборка ротора
|
|
15
|
1
|
Вентилятор
|
|
16
|
6
|
Фиксирующий винт (только для LSA 44.2)
|
|
28
|
1
|
Клемма заземления
|
|
30
|
1
|
Фланец приводного конца
|
|
33
|
1
|
Защитная решетка
|
|
36
|
1
|
Задний подшипниковый щит
|
|
37
|
4
|
Шпилька
|
|
41
|
1
|
Передняя стенка коробки выводов
|
|
47
|
1
|
Задняя часть коробки выводов
|
|
48
|
1
|
Крышка коробки выводов
|
|
49
|
34
|
Винты коробки выводов
|
|
51
|
1
|
Решетка забора воздуха
|
|
59
|
3
|
Люк доступа к элекментам коробки выводов
|
|
62
|
2/4
|
Винт крепления крышки
|
|
63
|
1
|
Опорная шайба (LSA 43.2)
|
|
67
|
1
|
Стопорное кольцо
|
|
68
|
1
|
Внутренняя крышка подшипника
|
|
70
|
1
|
Пошипник неприводного конца
|
|
79
|
1
|
Подпружиненая шайба
|
|
90
|
1
|
Статор возбудителя
|
|
91
|
4
|
Фиксирующий статор возбудителя винт
|
|
100
|
1
|
Якорь возбудителя
|
|
107
|
1
|
Кронштейн диодного моста
|
|
120
|
1
|
Панель клеммного блока
|
|
124
|
2
|
Клеммный блок
|
|
198
|
1
|
Автоматический регулятор напряжения
|
|
207
|
1
|
Амортизатор регулятора напряжения (SHUNT)
|
|
217
|
1
|
Клеммный блок
|
|
290
|
1
|
Корпус генератора PMG
|
|
291
|
1
|
Регулируемый вал
|
|
292
|
1
|
Ротрор с постоянными магнитами
|
|
293
|
1
|
Статор генератора PMG
|
|
294
|
2
|
Фиксирующий винт
|
|
295
|
1
|
Монтажная шпилька
|
|
296
|
1
|
Опорная гайка и шайба
|
|
297
|
1
|
Крышка генератора PMG
|
|
320
|
1
|
Ступица (для LSA 43.2 L7 и 44.2)
|
|
343
|
1
|
Блок диодного моста
|
|
347
|
1
|
Варистор (подавитель помех)
|
|
349
|
1
|
Соединительное кольцо
|
|
410
|
1
|
Передний подшипниковый щит
|