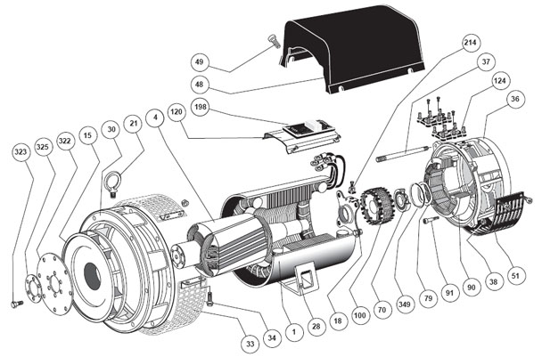
Синхронные генераторы LSA 37 Leroy Somer
LSA 37 2, 4-х полюсный - одноопорное исполнение

|
№
|
Кол-во
|
Наименование
|
|
1
|
1
|
Сборка статора
|
|
4
|
1
|
Сборка ротора
|
|
15
|
1
|
Вентилятор
|
|
18
|
1
|
Диск центрирования
|
|
21
|
1 или 2
|
Рым-болт
|
|
28
|
1
|
Клемма заземления
|
|
30
|
1
|
Стыковочный фланец приводного конца
|
|
33
|
1 или 2
|
Защитная решетка
|
|
34
|
2
|
Фиксирующий винт
|
|
36
|
1
|
Задний подшипниковый щит
|
|
37
|
4
|
Шпилька
|
|
38
|
4
|
Гайка
|
|
48
|
1
|
Крышка коробки выводов
|
|
49
|
4
|
Винты крышки коробки выводов
|
|
51
|
1
|
Решетка забора воздуха
|
|
70
|
1
|
Пошипник неприводного конца
|
|
79
|
1
|
Подпружиненая шайба
|
|
90
|
1
|
Статор возбудителя
|
|
91
|
4
|
Фиксирующий винт
|
|
100
|
1
|
Якорь возбудителя
|
|
120
|
1
|
Панель клеммного блока
|
|
124
|
2
|
Клеммный блок
|
|
198
|
1
|
Автоматический регулятор напряжения
|
|
214
|
1
|
Питающий диодный мост
|
|
322
|
1
|
Стыковочный диск
|
|
323
|
6
|
Болты
|
|
325
|
1
|
Диск стыковочного узла
|
|
349
|
1
|
‘O’ кольцевое уплотнение
|
LSA 37 2, 4-х полюсный - двухопорное исполнение

|
№
|
Кол-во
|
Наименование
|
|
1
|
1
|
Сборка статора
|
|
4
|
1
|
Сборка ротора
|
|
15
|
1
|
Вентилятор
|
|
18
|
1
|
Диск центрирования
|
|
21
|
1 или 2
|
Рым-болт
|
|
28
|
1
|
Клемма заземления
|
|
30
|
1
|
Стыковочный фланец приводного конца
|
|
33
|
1 или 2
|
Защитная решетка
|
|
34
|
2
|
Фиксирующий винт
|
|
36
|
1
|
Задний подшипниковый щит
|
|
37
|
4
|
Шпилька
|
|
38
|
4
|
Гайка
|
|
48
|
1
|
Крышка коробки выводов
|
|
49
|
4
|
Винты крышки коробки выводов
|
|
51
|
1
|
Решетка забора воздуха
|
|
60
|
1
|
Подшипник приводного конца
|
|
70
|
1
|
Пошипник неприводного конца
|
|
79
|
1
|
Подпружиненая шайба
|
|
90
|
1
|
Статор возбудителя
|
|
91
|
4
|
Фиксирующий винт
|
|
100
|
1
|
Якорь возбудителя
|
|
120
|
1
|
Панель клеммного блока
|
|
124
|
2
|
Клеммный блок
|
|
198
|
1
|
Автоматический регулятор напряжения
|
|
214
|
1
|
Питающий диодный мост
|
|
284
|
1
|
Фиксирующее кольцо
|
|
349
|
1
|
‘O’ кольцевое уплотнение
|
|
410
|
1
|
Передний подшипниковый щит
|
|
411
|
4
|
Фиксирующий винт
|